Задняя балка ВАЗ 2110 — ключевой элемент подвески, обеспечивающий стабильность и управляемость автомобиля. В статье рассмотрим устройство и крепление задней балки, а также предоставим пошаговую инструкцию по её снятию и замене. Уделим внимание устранению распространённых неисправностей, связанных с износом сайлентблоков, что поможет владельцам ВАЗ 2110 поддерживать автомобили в исправном состоянии и продлить срок службы подвески.
Строение балки
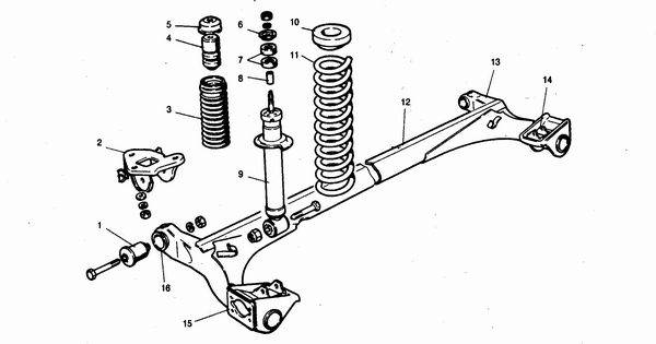
С внутренней стороны рычагов подвески установлены кронштейны с отверстиями, предназначенными для монтажа амортизаторов. Также здесь находятся фланцы, которые с помощью болтов соединены с осью задних колес и тормозными щитами. С внешней стороны к рычагам подвески прикреплены втулки, которые вставляются в шарниры, изготовленные из специального резинометаллического материала.
Через эти втулки проходят болты, соединяющие рычаги подвески с штампованно-сварными кронштейнами. Эти кронштейны, в свою очередь, фиксируются болтами, заваренными в лонжероне автомобиля. Пружины задней балки модели ВАЗ 2110 расположены так, что одно их окончание упирается в углубление амортизатора, а другое проходит через специальную прокладку в опорную область, которая крепится к внутренней стороне арки кузова.
Прокладка служит изолятором и выполнена из резины. Амортизатор, установленный на задней подвеске, имеет двустороннее действие. Он крепится короткими болтами непосредственно к кронштейну, который находится на продольном рычаге задней подвески. В верхней части крепление осуществляется с помощью штока, который фиксируется в верхней опоре на пружине подвески. Амортизатор закрепляется через защитную резиновую подушку и опорную шайбу.
Двухрядный упорный подшипник располагается в центре ступицы. По своей конструкции он очень похож на подшипник, установленный в ступице передних колес, однако его размеры значительно меньше.
Эксперты отмечают, что задняя балка ВАЗ 2110 играет ключевую роль в обеспечении устойчивости и управляемости автомобиля. Эта конструкция, выполненная из прочной стали, обеспечивает необходимую жесткость и надежность, что особенно важно при движении по неровным дорогам. Однако, как подчеркивают специалисты, со временем задняя балка может подвергаться коррозии, что негативно сказывается на характеристиках автомобиля. Регулярная проверка и обслуживание данного элемента являются обязательными для поддержания безопасности и комфорта вождения. Кроме того, замена задней балки на более современные аналоги может значительно улучшить динамику и управляемость, что делает этот вопрос актуальным для владельцев ВАЗ 2110.
https://youtube.com/watch?v=7Isy-kpSS2k
Демонтаж заднего блока
Замена задней балки выполняется после транспортировки автомобиля на смотровую канаву или подъемник. Для начала снимите тормозные колодки, расположенные в задней части ВАЗ 2110. Отсоедините стальные канаты, которыми стояночный тормоз фиксируется к изнаночной стороне балки, прикрепленной сзади к кронштейну.
Теперь отсоедините тонкие тормозные шланги, ведущие к тормозным цилиндрам, находящимся в задней части машины. Отсоедините тормозные трубки, прикрепленные к балке. Кроме того, понадобится отсоединить от балки упругий рычаг, который находится на приводе, отвечающем за регулировку давления.
Используя ключ размером на 17, открутите 4 крепежных болта, держащие ось ступицы совместно с балкой задней подвески. Саму ось снимите вместе со щитом тормозного механизма и при необходимости разъедините их, отвернув два винта крепления при помощи крестообразной отвертки. Отогните скоб и снимите тормозную трубку.
От балки необходимо отсоединить нижние окончания амортизаторов и гайки, прикрепляющие балки к кронштейнам. После этого из балки нужно вынуть болты и осторожно ее снять. Используя головку 17 размера, открутите 3 гайки, прикрепляющие кронштейн к кузову.
| Элемент задней балки | Функция | Возможные неисправности |
|---|---|---|
| Балка (поперечина) | Основной несущий элемент, соединяющий колеса | Деформация при ударе, трещины от усталости металла |
| Рычаги подвески | Обеспечивают крепление колес к балке, регулируют углы установки | Износ сайлентблоков, деформация при ударе |
| Амортизаторы | Гасят колебания кузова, обеспечивают плавность хода | Утечка масла, износ штока, потеря эффективности |
| Пружины | Поддерживают вес автомобиля, обеспечивают дорожный просвет | Просадка, поломка витков |
| Сайлентблоки | Гасят вибрации, обеспечивают подвижность соединений | Растрескивание, разрыв, стуки |
| Ступицы колес | Крепление колеса, содержат подшипники | Износ подшипников (гул, люфт), деформация |
| Тормозные механизмы | Обеспечивают торможение задних колес | Износ колодок/барабанов, заклинивание, утечка тормозной жидкости |
| Стабилизатор поперечной устойчивости (если установлен) | Уменьшает крены кузова в поворотах | Износ втулок, деформация |
Интересные факты
Вот несколько интересных фактов о задней балке и ВАЗ 2110:
-
Конструкция задней балки: ВАЗ 2110 использует независимую подвеску с задней балкой, что обеспечивает лучшую управляемость и комфорт по сравнению с предыдущими моделями, которые имели зависимую подвеску. Это решение позволило улучшить сцепление колес с дорогой и повысить стабильность автомобиля на высоких скоростях.
-
Универсальность задней балки: Задняя балка ВАЗ 2110 была разработана с учетом возможности установки различных модификаций и комплектаций автомобиля. Это позволяет использовать одну и ту же конструкцию для разных моделей, что упрощает производство и снижает затраты.
-
Проблемы с коррозией: Одной из распространенных проблем, связанных с задней балкой ВАЗ 2110, является коррозия, особенно в условиях сурового климата и при использовании дорожных реагентов. Владельцы автомобилей часто сталкиваются с необходимостью защиты задней балки от ржавчины, чтобы продлить срок службы автомобиля.
https://youtube.com/watch?v=R7ZLdSDKGAA
Замена сайлентблоков
При появлении скрипов и посторонних звуков в автомобиле важно заменить изношенные компоненты. Это поможет избежать серьезных поломок, которые могут привести к сложному и затратному ремонту. Первым делом, на что стоит обратить внимание при проверке балок, являются сайлентблоки. Их замена осуществляется с помощью специального съемника, который можно изготовить из нескольких отрезков труб, к которым привариваются шайбы.
Если вы не хотите тратить время на создание инструмента, его можно приобрести в любом специализированном магазине. Обязательно зафиксируйте задние колеса, используя специальные башмаки или обычные кирпичи. Это необходимо для безопасности, так как поднятая на домкрате машина может соскользнуть и причинить вам травмы.
Снимите приподнятое колесо и проверьте, насколько расшатаны сайлентблоки в рычаге балки. Если они имеют люфт, потребуется ремонт. Открутите гайку верхней опоры и, нанося короткие удары по сошке, поворачивайте колесо. Удары следует наносить до тех пор, пока опора не выйдет из своего гнезда. Затем открутите длинный болт, расположенный в верхней части рычага, и приступайте к осмотру сайлентблоков передней балки.
Их нужно выбить сильными ударами молотка по зубилу. Они легко выходят из пазов после первого удачного удара. Для улучшения скольжения предварительно очистите старое гнездо. После этого все детали смачиваются мыльным раствором, и новый сайлентблок вдавливается на место старого методом запрессовки. Обратите внимание: после запрессовки люфты должны полностью отсутствовать, иначе ремонт передней балки окажется бесполезным.
Замена сайлентблоков на нижней балке требует больше усилий. В первую очередь отключите стабилизатор, чтобы рычаг мог свободно двигаться. Открутите все гайки, фиксирующие его, и выбейте их так же, как при замене в передней балке. После успешной запрессовки нового сайлентблока можно считать замену завершенной.
Обратите внимание, что снятие задней балки ВАЗ 2110 не рекомендуется выполнять в одиночку. Вам потребуется помощь нескольких человек для поддержки и своевременного опускания задней подвески. Кроме того, работу по затяжке или ослаблению болтов на колесах автомобиля следует проводить только тогда, когда он стоит на земле.
Установка и регулировка задней балки
Установка и регулировка задней балки на автомобиле ВАЗ 2110 — это важный процесс, который влияет на общую управляемость и безопасность автомобиля. Задняя балка является частью подвески, которая соединяет колеса и кузов, обеспечивая стабильность и комфорт при движении. Правильная установка и регулировка задней балки помогут избежать проблем с износом шин, ухудшением управляемости и повышенным расходом топлива.
Перед началом установки задней балки необходимо подготовить автомобиль. Для этого следует поднять заднюю часть автомобиля с помощью домкрата и установить его на надежные подставки. Это обеспечит безопасность во время работы. Также рекомендуется снять колеса, чтобы получить доступ к задней подвеске.
При установке задней балки важно следовать рекомендациям производителя. Обычно процесс включает в себя следующие этапы:
- Снятие старой балки: Для этого необходимо открутить крепежные болты, которые соединяют балку с кузовом и подвеской. Важно помнить, что некоторые болты могут быть сильно затянуты или заржавели, поэтому может потребоваться использование проникающей смазки.
- Подготовка новой балки: Перед установкой новой балки следует проверить ее на наличие дефектов и повреждений. Также рекомендуется очистить места крепления от грязи и ржавчины.
- Установка новой балки: Установите новую балку на место старой, убедившись, что все отверстия совпадают. Закрепите балку с помощью крепежных болтов, следя за тем, чтобы они были затянуты с необходимым моментом, указанным в технической документации.
После установки балки необходимо провести регулировку. Это включает в себя:
- Проверка углов установки колес: Углы схождения и развала должны соответствовать заводским значениям. Для этого лучше всего использовать специальное оборудование на СТО, так как точность измерений критически важна для правильной работы подвески.
- Проверка высоты кузова: Высота задней части автомобиля должна быть одинаковой с обеих сторон. Если высота отличается, это может указывать на проблемы с пружинами или амортизаторами.
- Тест-драйв: После завершения установки и регулировки рекомендуется провести тест-драйв, чтобы убедиться в правильности работы задней подвески и отсутствии посторонних звуков.
Важно помнить, что неправильная установка или регулировка задней балки может привести к серьезным последствиям, таким как ухудшение управляемости, неравномерный износ шин и даже аварийные ситуации. Поэтому, если у вас нет достаточного опыта, лучше доверить эту работу профессионалам.
В заключение, установка и регулировка задней балки на ВАЗ 2110 — это процесс, требующий внимательности и точности. Соблюдение всех рекомендаций и использование качественных запчастей помогут обеспечить надежную и безопасную работу автомобиля на протяжении долгого времени.
https://youtube.com/watch?v=45–6LJ9_II
Вопрос-ответ
Из чего состоит задняя балка ВАЗ 2110?
Балка задней подвески состоит из двух продольных рычагов и соединителя, которые сварены между собой через усилители. Спереди рычаги подвески имеют приваренные втулки, в которые запрессованы резинометаллические шарниры.
На что влияет задняя балка?
На стойкость легковых автомобилей при езде влияют особенности подвески, состоящей из целого узла механизмов. Задняя балка, которая служит одним из основных элементов ходовой части, с помощью продольных рычагов осуществляет связь кузова и колес, что обеспечивает их беспрепятственное движение вверх или вниз.
Советы
СОВЕТ №1
Проверяйте состояние задней балки регулярно. Обратите внимание на наличие трещин, коррозии и других повреждений. Это поможет избежать серьезных проблем с подвеской и обеспечит безопасность на дороге.
СОВЕТ №2
При замене задней балки используйте оригинальные запчасти или качественные аналоги. Это гарантирует надежность и долговечность, а также поможет избежать дополнительных затрат на ремонт в будущем.
СОВЕТ №3
Обратите внимание на настройки геометрии колес после установки новой балки. Неправильная настройка может привести к неравномерному износу шин и ухудшению управляемости автомобиля.
СОВЕТ №4
Если вы не уверены в своих силах, лучше обратиться к профессионалам для диагностики и ремонта задней балки. Это сэкономит ваше время и обеспечит качественное выполнение работы.
