В статье рассмотрим процесс подключения центрального замка самостоятельно. Это повысит безопасность автомобиля и сэкономит на услугах автосервисов. Предоставим схемы подключения, советы и видеоинструкции, которые помогут на каждом этапе установки. Информация будет полезна автолюбителям, желающим заниматься ремонтом и модернизацией своих автомобилей.
Принципиальное отличие основных видов центральных замков
Рекомендуем не заниматься электрическими проблемами без знаний о принципах работы источников питания, за исключением случаев подключения центрального замка.
Устройства автоматического открывания и закрывания замков делятся на два типа:
- Центральный замок с электроприводом. В дверях устанавливаются электрические активаторы, которые могут иметь отдельные блоки управления или управляться единым блоком, что часто встречается в бюджетных автомобилях.
- Пневматический центральный замок. Здесь движение активатора осуществляется за счет изменения давления воздуха. Эта система устарела и почти не используется; ранее ее устанавливали марки Mercedes, BMW, VW и Audi. Восстановление или установка такой системы нецелесообразны; проще установить электрические активаторы с дистанционным управлением.
Сосредоточимся на центральном замке с электроприводами, которые делятся на два вида:
- с управлением по плюсовому потенциалу;
- с управлением по минусовому потенциалу.
Чтобы понять управляющий сигнал и его назначение, рассмотрим принцип работы простейшего центрального замка на примере распространенной схемы с управлением по минусу, представленной в руководстве по ремонту Opel Astra F.
Подключение центрального замка своими руками — задача, требующая внимательности и аккуратности. Эксперты отмечают, что перед началом работ важно ознакомиться с инструкцией к устройству и схемой подключения. Правильный выбор места установки замка также играет ключевую роль: он должен быть доступен для управления, но в то же время защищён от внешних воздействий.
Специалисты рекомендуют использовать качественные инструменты и материалы, чтобы избежать проблем в будущем. При подключении необходимо следить за полярностью проводов и их надежной изоляцией. Важно также протестировать систему после установки, чтобы убедиться в её корректной работе. Наконец, эксперты советуют не спешить и тщательно проверять каждый этап процесса, что позволит избежать ошибок и обеспечить безопасность автомобиля.
Как работает простейший центральный замок
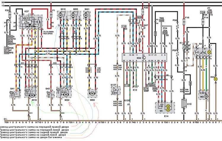
Сразу можно увидеть, что в водительской двери установлен 5-проводной активатор. Некоторые производители авто, желая сэкономить, не устанавливают управляющий сервопривод в водительскую дверь, а только кнопку.
Что мы видим на схеме:
- S41 – концевик, расположенный у личинки замка водительской двери. При повороте ключа на отпирание либо запирания на блок ЦЗ коротко (порядка 1 сек.) подается минусовой потенциал.
- S42 – концевик пассажирской передней двери.
- M18, M19, M20, М32 – активаторы в дверях. М41 – замок запирания лючка бензобака, М60 – сервопривод багажника; Для работы сервоприводов достаточно 2 провода, которые называются силовыми. Разница потенциалов на этих проводах запускает двигатель, передвигающий тягу замка. В зависимости от того, на каком из проводов будет -, а на каком +, моторчик будет крутиться в одну либо другую сторону. Третий провод (сине-черный) необходим штатной сигнализации для контроля состояния замков.
- К37 – блок управления ЦЗ. Для работы блоку обязательно необходимы постоянный + и масса. С пассажирских актуаторов к блоку приходят два сигнальных провода (бело-коричневый и коричневый). В незадействованном режиме на них небольшой положительный потенциал. Появление на одном из проводов минуса провоцирует закрытие, на втором – открытие. Именно этот минусовой сигнал определяет – управляется ЦЗ по минусу либо по плюсу. В зависимости от того, на каком из проводов появляется -, блок подает напряжение нужной полярности на силовые провода.
Именно так работает простейший ЦЗ, который даже не реагирует на то, открыта водительская дверь либо закрыта. Простейший блок управления центральным замком работает по схеме двух 5-проводных реле. Предлагаем посмотреть видео, на котором подробно рассказан принцип работы и способ подключения двухпроводных активаторов.

| Компонент системы центрального замка | Функция компонента | Рекомендации по установке | 
|---|---|---|
| Центральный блок управления (модуль) | Принимает сигналы от брелока, управляет исполнительными механизмами замков. | Установить в сухом, защищенном от влаги месте. Обеспечить надежное заземление. | 
| Исполнительные механизмы (актуаторы) | Запирают и отпирают замки дверей. | Установить аккуратно, избегая перекосов. Проверить ход штока и надежность фиксации. | 
| Брелок дистанционного управления | Передает сигналы на центральный блок управления. | Проверить частоту и код брелока, совместимость с модулем. | 
| Проводка (жгуты проводов) | Соединяет все компоненты системы. | Использовать качественную проводку, надежно изолировать соединения. Проложить провода аккуратно, избегая заломов и повреждений. | 
| Дополнительные элементы (опционально) | Сирена, световая индикация, датчики удара и т.д. | Установка дополнительных элементов зависит от комплектации и желаемых функций. | 
| Замки дверей (штатные) | Механические замки, управляемые исполнительными механизмами. | Проверить исправность штатных замков перед установкой системы. | 
Интересные факты
Вот несколько интересных фактов о подключении центрального замка своими руками:
- 
Универсальность систем: Современные центральные замки могут быть универсальными и совместимыми с различными моделями автомобилей. Это означает, что многие владельцы могут установить систему центрального замка, даже если она не была предусмотрена производителем. Однако важно учитывать, что для разных марок и моделей могут потребоваться разные схемы подключения. 
- 
Электрическая схема: Подключение центрального замка обычно требует знания электрических схем автомобиля. Многие производители предоставляют схемы подключения в руководствах по ремонту, что позволяет владельцам самостоятельно разобраться в процессе. Однако важно помнить о безопасности и правильно изолировать все соединения, чтобы избежать короткого замыкания. 
- 
Дополнительные функции: При установке центрального замка своими руками можно добавить дополнительные функции, такие как дистанционное управление или сигнализация. Это не только повышает уровень безопасности автомобиля, но и делает его использование более удобным. Например, некоторые системы позволяют открывать двери с помощью смартфона или даже автоматически закрывать их при удалении от автомобиля. 
Эти факты подчеркивают, что установка центрального замка может быть не только полезной, но и увлекательной задачей для автолюбителей.
Как реализовать дистанционное управление центральным замком
Блок дистанционного управления с Aliexpress стал популярным благодаря низкой цене. Он позволяет подключить дистанционное управление к стандартной системе автомобиля или установить центральный замок, предварительно купив четыре двухпроводных активатора. Однако этот бюджетный блок не обеспечивает защиту от угона и предназначен только для обслуживания.
При нажатии кнопки на брелке имитируется поворот ключа в замке, что открывает и закрывает автомобиль. Блок управления принимает сигнал и подает напряжение на силовые провода. Для его работы и замков требуется всего шесть проводов:
- постоянный плюс, защищенный предохранителем (15А);
- масса;
- два силовых провода для сервомоторов;
- два управляющих провода.
Остальные провода можно использовать для подключения световой сигнализации, доводчиков стекол и других функций, включая питание для открытия багажника или лючка бензобака.
Блок может интегрироваться как в стандартную систему с управлением по минусу или плюсу, так и в центральный замок с вакуумным приводом. В комплекте идет инструкция, которая поможет подключить систему параллельно к штатному блоку центрального замка, сохраняя работоспособность заводского управления.
Подключение
Схема центрального замка для подключения универсальных двухпроводных актуаторов.
Плюсовой провод можно протянуть непосредственно от АКБ, установив предохранитель на 15А как можно ближе к батарее, либо взять от защищенной цепи в блоке предохранителей. Потребление тока зависит от мощности и количества сервоприводов ЦЗ. Рекомендуем прочитать, как рассчитать номинал предохранителя. Массой может послужить любой болт, прикрученный к кузову автомобиля.
Если вы подключили провода, но при нажатии кнопки «закрыть» активаторы открывают замки, поменяйте местами силовые провода (в нашем случае – белый и бело-черный).
С блока дистанционного управления ЦЗ для отпирания/закрытия багажника выходит синий провод, на котором при нажатии клавиши появляется «минус». Подключить багажник можно при помощи дополнительного 4-контактного реле. Как подключить реле, наглядно показано на видео. При подключении коричневого провода постановка и снятие автомобиля с охраны будет сопровождаться морганием габаритов либо поворотных фонарей. Зеленый провод – управляющий сигнал для доводки стекол. После закрытия дверей авто на него порядка 30 секунд подается напряжение, что достаточно для поднятия стекол даже из полностью опущенного положения.
Внимательно отнеситесь к соединениям и изоляции проводов. Не приступайте к подключению без понимания электрической схемы и принципа работы ЦЗ на вашем автомобиле. Неправильная установка центрального замка своими руками чревата риском возгорания авто. Надеемся, предоставленные видео помогут ответить на оставшиеся вопросы по установке центрального замка с дистанционным управлением.
А поняла ли вы, как подключить центральный замок? Если у вас остались вопросы по материалу, то оставляйте их в комментариях.


Советы по выбору центрального замка для вашего автомобиля
Выбор центрального замка для автомобиля — это важный этап, который требует внимательного подхода. Правильный выбор устройства обеспечит не только удобство в использовании, но и безопасность вашего автомобиля. Рассмотрим основные аспекты, на которые стоит обратить внимание при выборе центрального замка.
1. Совместимость с автомобилем
Перед покупкой центрального замка убедитесь, что он совместим с моделью вашего автомобиля. Разные автомобили могут иметь различные системы замков и электроники. Изучите технические характеристики замка и обратитесь к руководству пользователя вашего автомобиля, чтобы узнать о возможных ограничениях.
2. Тип центрального замка
Существует несколько типов центральных замков: пневматические, электрические и механические. Электрические замки наиболее распространены и удобны в использовании, так как они управляются с помощью кнопки на ключе или внутри автомобиля. Пневматические замки работают на основе давления воздуха и могут быть более надежными, но требуют специального оборудования для установки. Механические замки, как правило, менее удобны и требуют ручного управления.
3. Уровень безопасности
При выборе центрального замка обратите внимание на уровень безопасности, который он предлагает. Ищите замки с дополнительными функциями, такими как защита от вскрытия, сигнализация или возможность подключения к системе охраны автомобиля. Чем выше уровень безопасности, тем меньше вероятность угона вашего автомобиля.
4. Удобство установки
Некоторые центральные замки требуют профессиональной установки, в то время как другие можно установить самостоятельно. Если вы планируете устанавливать замок своими руками, выбирайте модели, которые идут с подробной инструкцией и всеми необходимыми комплектующими. Также стоит обратить внимание на наличие видеоинструкций или руководств в интернете.
5. Бренд и отзывы
Выбирайте центральные замки от известных брендов, которые зарекомендовали себя на рынке. Ознакомьтесь с отзывами других пользователей, чтобы понять, насколько надежен и удобен тот или иной замок. Обратите внимание на рейтинг и репутацию производителя, так как это может повлиять на качество и долговечность устройства.
6. Цена
Цена центрального замка может варьироваться в зависимости от его характеристик и бренда. Не стоит экономить на безопасности вашего автомобиля, но и переплачивать за ненужные функции тоже нецелесообразно. Определите свой бюджет и постарайтесь найти оптимальное соотношение цены и качества.
7. Гарантия и сервисное обслуживание
Убедитесь, что на выбранный вами центральный замок предоставляется гарантия. Это даст вам уверенность в том, что в случае неисправности вы сможете обратиться в сервисный центр. Также уточните, есть ли возможность сервисного обслуживания и замены деталей, если это потребуется в будущем.
Следуя этим советам, вы сможете выбрать центральный замок, который будет надежно защищать ваш автомобиль и обеспечивать удобство в использовании. Не забывайте, что правильный выбор — это залог безопасности и комфорта на дороге.
Вопрос-ответ
Что нужно для установки центрального замка?
Установка центрального замка. Для начала установки нужна система централизованной блокировки замков, которая включает блок управления и активаторы. Также понадобятся провода с двумя жилами и другие инструменты. Если у вас нет определенного бюджета, можно приобрести универсальный комплект в специализированном магазине.
Как подключить пульт к центральному замку?
В инструкции о том, как привязать брелок к центральному замку, указано, что после сигнала машины необходимо открыть и сразу закрыть водительскую дверь, успев в течение 45 секунд. На брелке необходимо нажать любую кнопку и сразу ее отпустить. Если дважды прозвучит звуковой сигнал, значит, брелок привязан к ЦЗ.
Какой блок отвечает за центральный замок?
Блок управления центральным замком (блок управления замками, блок управления ЦЗ) – это устройство, которое отвечает за управление центральным замком автомобиля.
Как работает центральный замок от ключа?
Принцип работы центрального замка прост: при нажатии кнопки на брелоке или повороте ключа в замке водителя подается электрический импульс на блок управления. Этот блок передает команду электроприводам, которые запирают или отпирают двери, капот и багажник.
Советы
СОВЕТ №1
Перед началом установки центрального замка внимательно изучите инструкцию, прилагаемую к устройству. Это поможет вам понять, какие инструменты и материалы понадобятся, а также особенности подключения конкретной модели замка.
СОВЕТ №2
Обязательно отключите аккумулятор автомобиля перед началом работы. Это предотвратит случайное короткое замыкание и защитит электронику вашего автомобиля от повреждений.
СОВЕТ №3
При прокладке проводов старайтесь избегать мест с высокой температурой и механическими повреждениями. Используйте защитные трубки или изоленты, чтобы обеспечить долговечность и безопасность проводки.
СОВЕТ №4
После завершения установки обязательно протестируйте работу центрального замка несколько раз, чтобы убедиться, что все функции работают корректно. Если возникают проблемы, проверьте соединения и настройки.

 

 

 
 
 
							
							
						 
							 
 
