В этой статье мы расскажем, как собрать усилитель для автомобильного сабвуфера своими руками. Это позволит сэкономить и получить устройство, соответствующее вашим требованиям. Мы предоставим схемы и инструкции для монтажа, а также объясним, почему качественный усилитель важен для насыщенного звучания в автомобиле. Если у вас есть базовые навыки в радиоэлектронике, вы сможете создать мощный и эффективный усилитель, который улучшит аудиосистему вашего автомобиля.
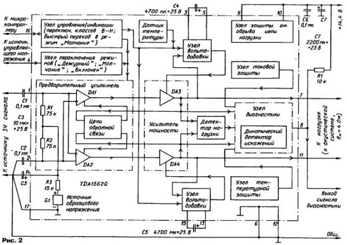
Описание УМЗЧ TDA1562Q
Данная микросхема — мостовой монофонический усилитель низкочастотного сигнала. При небольшом входном сигнале, когда мощность на нагрузку не превышает 18 Вт, устройство работает в режиме класса B. При увеличении входного сигнала активируются схемы вольтдобавки с внешними электролитическими конденсаторами, что переводит усилитель в режим H, повышая напряжение питания и выходную мощность до 70 Вт.
Если температура достигает 120 ◦C, встроенный датчик возвращает усилитель в режим B с выходной мощностью до 20 Вт. Автоматика распознает снижение напряжения питания до 7 В и переводит устройство в режим «Молчание». При увеличении напряжения до 9 В автоматика вновь активирует устройство.
Микросхема имеет следующие характеристики:
- Напряжение питания: от 8 до 18 В;
- Пиковый выходной ток: до 10 А;
- Ток в режиме молчания: 100–150 мА;
- Сопротивление нагрузки: 4 Ом;
- Коэффициент гармоник: 0,03% (при Pвых= 1 Вт); 0,06% (при Pвых= 20 Вт); 0,5% (при Pвых= 55 Вт); 10% (при Pвых= 70 Вт);
- Диапазон частот: от 16 Гц до 20 кГц;
- Коэффициент усиления по напряжению: 26 дБ;
- Входное сопротивление: 10 кОм.
Создание усилителя для автомобильного сабвуфера своими руками — это задача, которая привлекает многих автолюбителей и любителей DIY-проектов. Эксперты отмечают, что такой подход позволяет не только сэкономить средства, но и получить уникальное устройство, полностью соответствующее личным предпочтениям. Важно учитывать, что для успешной реализации проекта потребуется базовое понимание электроники и навыков пайки.
Специалисты рекомендуют начинать с выбора подходящей схемы усилителя, которая будет соответствовать характеристикам сабвуфера. Также стоит обратить внимание на качество компонентов, так как это напрямую влияет на звук и долговечность устройства. В процессе сборки необходимо тщательно следить за соединениями и изоляцией, чтобы избежать коротких замыканий.
Кроме того, эксперты подчеркивают, что самодельный усилитель может стать отличной основой для дальнейших улучшений и модификаций, что делает проект особенно привлекательным для тех, кто хочет углубиться в мир аудиотехники.

Цоколевка
Обозначения на изображении:
- 1 – не инвертирующий вход ЗЧ;
- 2 – инвертирующий вход ЗЧ;
- 3 и 5 – точки для подключения емкости вольтдобавки верхнего по схеме плеча усилителя;
- 4 – вход переключения режима работы;
- 6 и 12 – «масса» (отрицательные выводы питания);
- 7 – не инвертирующий выход ЗЧ;
- 8 – выход сигнала диагностики;
- 11 – инвертирующий выход ЗЧ;
- 13 и 15 – выводы для подключения емкости вольтдобавки нижнего по схеме плеча усилителя;
- 14 – вывод контроля эталонного напряжения;
- 16 – выход сигнала индикации;
- 17 – «масса» (общий провод) входа.
| Компонент | Характеристики | Замечания | 
|---|---|---|
| Транзисторы (например, IRFP240/IRFP9240) | Напряжение сток-исток (Vds), ток стока (Id), мощность рассеивания (Pd) | Выбор транзисторов зависит от требуемой мощности усилителя. Необходимо учитывать теплоотвод. | 
| Микросхема усилителя мощности (например, TDA7293, TDA7498) | Мощность, напряжение питания, количество каналов | Более простой вариант, чем дискретный усилитель, но с ограниченными возможностями настройки. | 
| Трансформатор питания | Мощность, напряжение вторичной обмотки | Должен обеспечивать достаточное напряжение и ток для питания усилителя и сабвуфера. | 
| Блок питания | Напряжение, ток, фильтрация | Стабилизированный блок питания важен для стабильной работы усилителя. Необходимость в фильтрации пульсаций. | 
| Радиаторы | Площадь поверхности, материал | Обеспечивают отвод тепла от транзисторов и микросхем. Размер радиатора зависит от мощности усилителя. | 
| Конденсаторы | Емкость, напряжение | Для фильтрации питания и в цепях обратной связи. | 
| Резисторы | Номинал, мощность | Для установки рабочих точек и формирования сигналов. | 
| Печатная плата | Материал, размеры | Для удобства монтажа и обеспечения надежности соединения компонентов. | 
Интересные факты
Вот несколько интересных фактов о создании усилителя для автомобильного сабвуфера своими руками:
- 
Качество звука: При правильном проектировании и сборке, самодельный усилитель может обеспечить качество звука, сопоставимое с заводскими моделями. Использование высококачественных компонентов, таких как конденсаторы и транзисторы, может значительно улучшить производительность сабвуфера. 
- 
Настройка под свои нужды: Создавая усилитель самостоятельно, вы можете настроить его параметры под свои предпочтения. Например, можно изменить частотный диапазон, мощность и другие характеристики, чтобы добиться идеального звучания, соответствующего вашему стилю музыки и акустике автомобиля. 
- 
Экономия средств: Самостоятельное изготовление усилителя может быть значительно дешевле покупки готового устройства, особенно если у вас уже есть некоторые необходимые инструменты и компоненты. Это также дает возможность изучить основы электроники и акустики, что может быть полезно для дальнейших проектов. 

Изготовление печатной платы
Создание простых электронных устройств возможно с использованием навесного монтажа, но лучше собрать узел на печатной плате. Для ее изготовления выполните следующие шаги:
- Вырежьте заготовку нужного размера.
- Обработайте фольгированную поверхность мелкозернистой наждачной бумагой № 1000 или канцелярским ластиком.
- Обезжирьте поверхность заготовки ацетоном.
- Уложите бумагу с изображением схемы платы на фольгированный текстолит и проколите точки отверстий на фольгу.
- Нанесите дорожки маркером.
- Произведите травление платы в растворе хлорного железа. Альтернатива: раствор из 1 столовой ложки медного купороса и 2 столовых ложек соли в стакане воды. Процесс травления ускорится при легком подогреве раствора.
- Тщательно промойте плату под водой.
- Просверлите отверстия.
- Лудите дорожки, и ваша плата готова к использованию.
Монтаж усилителя для сабвуфера
Самодельный усилитель такой конструкции не следует использовать с сабвуфером, имеющим встроенные фильтры. Выделение низкочастотной составляющей звукового сигнала лучше сделать до подачи на вход микросхемы.
Для электрического монтажа устройства, включая подключение динамика сабвуфера, используйте только толстые провода. Так как при невысоком напряжении питания большая мощность развивается усилителем в основном за счет значительного тока. Поэтому даже небольшое увеличение сопротивления проводников приведет к уменьшению мощности и росту искажений.
Микросхему усилителя сабвуфера нужно обязательно установить на радиатор эффективной площадью не менее 500 см2. Радиатор неплохо оснастить вентилятором с рабочим напряжением 12 В, например, от компьютера.
Для лучшего отвода тепла устанавливать микросхему на радиатор следует с применением теплопроводящей пасты.
Светодиод индикации включения устройства должен быть зеленого цвета, а индикатор перегрузок и срабатывания защиты – красного.
Так как устройство потребляет в режиме молчания значительный ток, лучше не подавать на него питание постоянно. Для подачи питания удобно использовать реле, которое включается при включении магнитолы. Каждая магнитола имеет выход для включения реле выдвижной антенны, его и нужно использовать для подачи питания. Теперь вы знаете, как сделать усилитель для сабвуфера.

Тестирование и настройка усилителя
После завершения сборки усилителя для автомобильного сабвуфера наступает важный этап — тестирование и настройка устройства. Этот процесс позволяет убедиться в правильности работы усилителя, а также оптимизировать его параметры для достижения наилучшего звучания. В данном разделе мы рассмотрим основные шаги, которые необходимо выполнить для успешного тестирования и настройки усилителя.
Подготовка к тестированию
Перед началом тестирования убедитесь, что все соединения выполнены правильно, а компоненты усилителя надежно закреплены. Проверьте, что:
- Все провода подключены к соответствующим клеммам;
- Питание усилителя подключено к источнику энергии;
- Сабвуфер правильно подключен к выходам усилителя;
- Установлены необходимые предохранители для защиты устройства.
Первичное включение
После проверки всех соединений можно включить усилитель. Важно следить за тем, чтобы не было никаких посторонних шумов или искр. Если вы заметили какие-либо аномалии, немедленно отключите устройство и проверьте все соединения еще раз.
Проверка выходной мощности
Для тестирования выходной мощности усилителя можно использовать мультиметр или осциллограф. Подключите мультиметр к выходам усилителя и запустите тестовую аудиозапись с низкими частотами. Постепенно увеличивайте громкость, следя за показаниями мультиметра. Это поможет определить, соответствует ли выходная мощность заявленным характеристикам.
Настройка фильтров
Одним из ключевых аспектов настройки усилителя является правильная настройка фильтров. Большинство усилителей имеют встроенные фильтры низких и высоких частот. Настройте фильтры в соответствии с характеристиками вашего сабвуфера. Обычно фильтр низких частот устанавливается на уровне 80-120 Гц, что позволяет сабвуферу воспроизводить глубокие басы, не перегружая другие динамики.
Регулировка уровня усиления
После настройки фильтров необходимо отрегулировать уровень усиления. Это можно сделать с помощью потенциометра на усилителе. Начните с минимального уровня и постепенно увеличивайте его, пока не достигнете желаемого звучания. Важно не допустить искажений, которые могут возникнуть при слишком высоком уровне усиления.
Тестирование звука
После всех настроек проведите тестирование звука. Включите различные музыкальные треки, чтобы оценить качество звучания. Обратите внимание на четкость басов, отсутствие искажений и общую гармонию звучания. Если вы заметили какие-либо проблемы, вернитесь к настройкам и внесите необходимые коррективы.
Финальная проверка
После завершения всех настроек и тестов проведите финальную проверку. Убедитесь, что усилитель работает стабильно на протяжении длительного времени, и нет перегрева или других проблем. Если все в порядке, ваш усилитель готов к эксплуатации!
Следуя этим шагам, вы сможете не только протестировать, но и настроить свой усилитель для автомобильного сабвуфера, что позволит вам наслаждаться качественным звуком во время поездок.
Вопрос-ответ
Что можно использовать вместо усилителя для сабвуфера?
Заменить саб отчасти может крупный динамик в дверях. Это обычно мидбас или вуфер. Такое может быть в больших авто с большеобъёмными дверьми, куда встанут динамики 18-22 см. Соответственно, динамики должны быть именно вуферами или, на худой конец, мидбасами.
Какой усилитель лучше всего подойдет для автомобильного сабвуфера?
Для сабвуферных систем моноканальный усилитель часто является наилучшим выбором, поскольку он обеспечивает высокую выходную мощность при низком импедансе, что делает его идеальным для питания сабвуфера. Убедитесь, что выбранный вами усилитель способен справиться с импедансом ваших сабвуферов, чтобы избежать таких проблем, как перегрев или снижение производительности.
Какой усилитель подойдет для сабвуфера?
Лучше всего выбирать усилитель с мощностью, превышающей номинальную мощность сабвуфера в 1,5–2 раза. Такое соотношение не только продлит срок службы устройств, но и обеспечит качественный и глубокий звук.
Можно ли прикрутить усилитель на короб сабвуфера?
Закрепить усилитель на корпус сабвуфера. Стоит понимать, что даже незаметные вибрации корпуса сабвуфера (они есть всегда) сильно влияют на элементы усилителя и могут вывести их из строя, а также расслабить крепления.
Советы
СОВЕТ №1
Перед началом сборки усилителя для сабвуфера, тщательно изучите схемы и спецификации. Это поможет вам понять, какие компоненты вам понадобятся и как они будут взаимодействовать друг с другом. Используйте проверенные схемы, чтобы избежать ошибок и обеспечить качественный звук.
СОВЕТ №2
Обратите внимание на выбор компонентов. Используйте качественные транзисторы, конденсаторы и резисторы, так как это напрямую влияет на производительность усилителя. Не экономьте на деталях, так как это может привести к перегреву и снижению качества звука.
СОВЕТ №3
При сборке усилителя уделите внимание правильной пайке и соединениям. Некачественные соединения могут вызвать шумы и помехи в звуке. Используйте хороший паяльник и проводники, чтобы обеспечить надежные и долговечные соединения.
СОВЕТ №4
После завершения сборки обязательно протестируйте усилитель на разных уровнях громкости и с различными музыкальными жанрами. Это поможет выявить возможные недостатки и настроить устройство для достижения наилучшего звучания.


 

 
 
 
							
							
						 
							 
 
 
