Рулевой редуктор УАЗ буханка
Рулевой редуктор УАЗ буханка, или, выражаясь техническими терминами, картер рулевого механизма, закреплен в модификациях автомобилей УАЗ-3302, 3909, 2206 на кронштейне левого лонжерона рамы.
Удерживают его на раме четыре болта М16 с шайбами пружинными. На заводе-изготовителе болты затянуты гайковертом с соблюдением усилия затяжки 45 кгс/см².
Устройство
Рабочая пара рулевого редуктора – глобоидальный червяк и двухгребневый ролик. Напрессованный на пустотелый вал червяк устанавливается в картере рулевого механизма на двух конических роликовых подшипниках.
Для обеспечения надежности соединения вала с червяком сделан шпоночный выступ и нарезаны шлицы на валу червяка. С червяком в постоянном зацеплении находится двухгребневый ролик.
Его кольцевые канавки, расположенные внутри, являются рабочей поверхностью для двухрядного шарикового подшипника. Он установлен на оси, которая крепится в головке вала сошки.
Данный вал вращается сразу в двух подшипниках: запрессованной в картер втулке из бронзы и цилиндрическом роликовом подшипнике. Этот элемент установлен в крышке картера сбоку рулевого редуктора.
Хвостовик головки вала заходит в паз винта регулировки. Он закручен в крышку картера сбоку. Зафиксирован винт регулировки штифтом и стопорной шайбой, которые запрессованы в крышке. Закрыт механизм гайкой с колпачком.
Своим верхним концом вал рулевого управления входит в подшипник, вращаясь на нем. Подшипник запрессован в корпусе колонки. От перемещения распорная втулка подшипника удерживается специальной пружиной.
Регулировка рулевого редуктора УАЗ буханка
Регулировочные операции осуществляются для устранения зазоров. Вследствие сил трения они периодически появляются между роликом и червяком. Для выявления осевого зазора червячных подшипников, картер обхватывается ладонью одной руки.
Другой рукой рулевое колесо раскачивается поочередно в обе стороны.
Если подшипники изношены, палец ощущает осевое биение ступицы относительно колонки. При отсутствии подшипниковых зазоров регулируется только зацепление червяка с роликом.
Порядок регулировки ролика относительно червяка:
- Снять рулевой редуктор с автомобиля.
- Слить масло с картера.
- Закрепить механизм в тисках.
- Открутить центральную гайку, с винта регулировки снять стопорную шайбу.
- Открутить болты, крепящие крышку сбоку редуктора.
- Вынуть вал сошки вместе с роликом и крышкой, осторожно постукивая выколоткой по торцу вала сошки, отделить прокладку.
- Открутить болты, крепящие нижнюю крышку картера, снять ее.
- Тонкую прокладку из бумаги с осторожностью отделить и снять.
- Поставить нижнюю крышку на штатное место, закрутить болты, проверить биение червяка вдоль продольной оси.
- Если биение осталось, заново снять крышку снизу, вынуть толстую прокладку, вместо нее установить тонкую, ранее снятую. Снимать более одной прокладки не рекомендуется.
- Усилие затяжки подшипников проверяется вращением червяка. Если затяжка правильная, на рулевом колесе ощущается усилие 0,22 – 1,45 кгс. Операция проверки осуществляется динамометрическим ключом при снятой сошке.
Как снять рулевой редуктор УАЗ буханка?
Демонтаж рулевого редуктора УАЗ буханка осуществляется без снятия рулевой колонки с автомобиля.
Порядок проведения операций:
- Открутить стяжной винт шарнира рулевой колонки.
- Открутить гайку, крепящую сошку рулевого редуктора, при помощи съемника снять ее.
- Открутить четыре болта, крепящие картер рулевого механизма к лонжерону рамы.
- Снять рулевой механизм, слить масло из картера, выкрутив пробку снизу.
Ремонт рулевого редуктора УАЗ буханка
Разобрав механизм, промыть, осмотреть детали. Обнаружив на рабочих плоскостях червяка, винта, гайки-рейки, вала-сектора отслоения слоя термообработки, раковины, чрезмерный износ, трещины, следует немедленно их заменить.
Подшипники винта, червяка следует заменить новыми в том случае, если для устранения осевого люфта удаляются все регулировочные прокладки либо на рабочих поверхностях шариков, роликов, колец имеются повреждения.
При обнаружении на рабочих плоскостях ролика, вала сошки раковин, трещин, забоин, вмятин, если образовался люфт подшипников либо посадки на оси, необходимо рассверлить ее головку, извлечь ролик.
Вставить в паз вала новый ролик и ось. Можно закрепить с помощью электрической сварки на валу сошки старой оси – со стороны рассверленной головки, а новой оси – с обеих сторон.
Ни в коем случае нельзя допускать перегрева ролика. Обнаружив на плоскостях под роликами раковины, вмятины, трещины, чрезмерный износ, незамедлительно заменить новыми все кольца опор вала-сектора.
При заметном скручивании шлицев следует заменить вал сошки. Если произошел чрезмерный износ одной из сторон бронзовой втулки картера, заменить ее новой. Запрессовав в картер новую втулку, прогладить ее брошью до диаметра 35 +0,027 мм.
Замена рулевого редуктора УАЗ буханка
Замена рулевого редуктора осуществляется его последовательным снятием из рамы автомобиля с последующей установкой нового механизма. В нашей статье уже описан пошаговый демонтаж рулевого механизма.
Монтаж узла осуществляется в обратной последовательности и регулировке основных характеристик работы редуктора.
Рулевой редуктор УАЗ буханка, устройство и работа
Существует в автомобиле механизм, который придумали еще в самом начале автомобилестроения — это рулевой редуктор. Главное предназначение этого механизма такое же, как у известного всем усилителя руля, а именно, помогать водителю поворачивать руль, компенсируя сопротивление колес. Другими словами, если бы в автомобиле не было этого важного приспособления, при каждом повороте руля, водителю пришлось бы прикладывать довольно немаленькие усилия.
Данный механизм сделан как отдельный агрегат рулевой системы. Состоит он либо из зубчатых колес, либо представлен в форме червячного вала.
Механизм работы и устройство редуктора
Устройство рулевого редуктора УАЗ
Данный текст будет посвящен общему принципу работы редуктора, и разборе данного механизма на конкретном примере, а именно на знаменитой машине «УАЗ 469» или как его еще называют — «буханка».
Начнем с того что, подавляющее большинство редукторов, если не все, сделаны из цельного чугуна и сварены при помощи стали. Использование именно этих материалов дает необходимые параметры жесткости и прочности этому механизма, ввиду специфики его устройства. Под запаянным чугуном находятся довольно простые элементы передачи: зубчатые колеса, валы, подшипники, ремни, шестерни и т.д. Также возможны комплектации, в которых предусмотрено расположение смазывающего элемента внутри механизма. Это позволяет обрабатывать смазкой шестерни и подшипники внутри редуктора «УАЗ Буханка».
Сегодня известно множество различных комплектаций, в которых выполнен рулевой редуктор, однако самой распространенной остается механизм червячного редуктора.
Он входит в комплектацию абсолютно всех современных автомобилей с системой редуктора на руле, в том числе и в УАЗ 469 (буханка). Эти системы предполагают передачу крутящего момента при помощи червячной передачи, состоящей в основном из специального винта-червяка и зубчатого червячного колеса.
Так называемый «червяк» установленный в редукторе «УАЗ 469», сделан в качестве литой детали из прочнейшего сплава. Внешне он выглядит как сердцевина во всем известной мясорубке, говоря же с использованием терминов, резьба на червяке выполнена в трапецеидальной форме. Что же касается червячного колеса, то оно мало чем отличается от обычного зубчатого, но резьба на этом элементе выполнена особенно тщательно и буквально ювелирно подогнана под форму резьбы червяка.
https://www.youtube.com/watch?v=KXja4Cj4Xlk
Зубчатые колеса для редукторов такой мощности, как в УАЗ 469 буханка делают из прочных материалов, обычно это либо чугун, который не рвется под большим усилием, либо прочный сплав стали, из них сделан сердечник. Зубья же делают из специальных антифрикционных материалов повышенной прочности. Червячная передача наиболее эффективна в машинах, где предполагаем высокий показатель крутящего момента в сочетании с небольшой угловой скоростью.
Преимущества и недостатки рулевого редуктора
К плюсам, которые имеет редуктор автомобиля УАЗ 469 относятся четыре фактора:
- Самоторможение;
- Высокий коэффициент придаточного отношения, притом, что используются всего две детали;
- Довольно небольшой уровень шума, создаваемый при работе механизма;
- Плавный ход.
Схема рулевой редуктор УАЗ
Также существенным преимуществом редуктора червячного типа, если сравнивать его с зубчатым является то, что контакт между звеньями осуществляется по всей длине линии, а не в одной точке, как у зубчатого. Также огромным плюсом является компактность червячного механизма, это притом, что передаточное отношение идентично у обеих систем.
Что касается минусов, то они довольно существенны:
- Такой редуктор имеет высокий уровень износа;
- Он выделяет большое количество тепла, ввиду большой силы трения деталей;
- Механизм довольно часто заедает;
- А также вырабатывает сравнительно низкий КПД.
Чтобы механизм меньше заедал и меньше изнашивался, его нужно постоянно регулировать, ухаживать за ним, и необходимы соблюдения всех нюансов при сборке. Однако и в этом случае, полностью избавиться от недостатков не получится, даже если брать во внимание более новую машину «УАЗ патриот».
Нюансы ремонта и износа редуктора
В нашей жизни ничто ни вечно, как бы печально это ни звучало. Любой, даже самый надежный механизм выходит из строя, ломается и хорошо если после этого, подлежит ремонту. Червячный редуктор, установленный на УАЗ буханка или Патриот не исключение.
Самая частая неприятность, с которой сталкиваются владельцы автомобиля с этим рулевым механизмом — это протекание редуктора. Течь он может по двум причинам:
- Коррозия первичного вала;
- Протекание сальника.
В обоих случаях главным симптомом «болезни» является потекшее мало, которое можно обнаружить непосредственно под вашим УАЗ 469 буханка. Но сложность ремонта будет разной. В первом случае придется шлифовать вал и провести операцию термонапыления. Вторая проблема решается легче, придется просто поменять прокладки и манжеты на сальнике, старые, можно будет просто выкинуть.
Еще одна проблема в редукторах на УАЗ буханка и Патриот — это ощущение, что руль стал туго проворачиваться. В этом случае придется посетить ближайшее СТО, где вам измеряют уровень прилагаемых усилий при повороте руля, и вынесут вердикт. Собственными руками ремонт лучше не проводить, ведь нужна специальная аппаратура и конечно, знания.
Выводы
Ввиду всего вышеперечисленного, можно сделать вывод, что редуктор на УАЗ 469 и более новой модели «Патриот», довольно надежная вещь и значимость этого механизма продиктована годами эксплуатации. Но, хотя он и заслуживает уважения, есть у системы и минусы, которые обязательно нужно знать и принимать во внимание.
Регулировка рулевого механизма УАЗ-452, проверка осевого зазора в подшипниках червяка, регулировка зацепления рабочей пары
В процессе эксплуатации автомобилей семейства УАЗ-452 изнашиваются рабочая пара рулевого механизма, подшипники червяка и другие детали рулевого управления. Вначале появляется повышенный зазор в зацеплении червяка и ролика, а позже — повышенное осевое перемещение червяка.
Появление повышенных зазоров в рулевом механизме вызывает нарушение его регулировки и ведет к потере безопасности движения автомобиля.
Регулировка рулевого механизма УАЗ-452
При правильной регулировке зацепления рабочей пары рулевого механизма автомобилей семейства УАЗ-452 люфт рулевого колеса при езде по прямой должен отсутствовать. При повороте рулевого колеса в любую сторону на 45 градусов и более появляется зазор в зацеплении червяка с роликом вала. При дальнейшем вращении рулевого колеса зазор в зацеплении, постепенно увеличиваясь, доходит в крайних положениях ролика до 30 градусов поворота рулевого колеса.
Номинальные размеры, допуски и посадки сопрягаемых деталей рулевого механизма УАЗ-452
Поэтому следует периодически проверять зазор в зацеплении рабочей пары рулевого механизма и осевое перемещение червяка и устранять их регулировкой. Зазор в зацеплении рекомендуется проверять после пробега автомобилем первой 1000 километров, а затем через каждое одно очередное техническое обслуживание.
Состояние рулевого механизма считают нормальным и не требующим регулировки, если свободный ход на ободе рулевого колеса в положении движения по прямой не превышает 40 мм. Если люфт рулевого колеса будет более указанного, то прежде чем приступить к регулировке рулевого управления, необходимо убедиться в плотности затяжки болтов крепления картера рулевого механизма, исправности шарнирных соединений, плотности посадки сошки на валу. Регулировку начинают с проверки осевого зазора в подшипниках червяка.
Проверка осевого зазора в подшипниках червяка рулевого механизма УАЗ-452
Для проведения проверки необходимо поставить колеса автомобиля в положение езды по прямой. Затем, приложив палец к нижнему торцу ступицы рулевого колеса и трубе колонки, поворачивать рулевое колесо в обе стороны на некоторый угол. При наличии износа подшипников червяка будет ощущаться пальцем осевое перемещение ступицы рулевого колеса относительно трубы. Если осевое перемещение отсутствует, то регулируют только зацепление рабочей пары рулевого механизма.
Регулировка зацепления рабочей пары рулевого механизма УАЗ-452
При появлении зазора в зацеплении рабочей пары его регулируют за счет перемещения вала сошки вдоль оси, не снимая рулевого управления с автомобиля. Порядок регулировки следующий.
— Поставить передние колеса автомобиля в положение движения по прямой.
— Отсоединить продольную рулевую тягу от рулевой сошки. — Отвернуть контргайку регулировочного винта и снять стопорную шайбу. — Вращать ключом регулировочный винт по часовой стрелке до устранения зазора в зацеплении червяка с роликом. — Надеть стопорную шайбу. Если отверстие в шайбе не совпадает со штифтом, повернуть регулировочный винт так, чтобы отверстие шайбы совпало со штифтом. — Навернуть контргайку на винт. Проверить, покачивая рукой сошку, правильность выполненной регулировки. Перемещение конца рулевой сошки не должно превышать 0,3 мм.
— Установить шаровой палец в отверстие сошки, навернуть гайку и зашплинтовать ее.
Регулировка подшипников червяка
После длительной эксплуатации автомобиля в рулевом механизме появляются зазоры в подшипниках червяка. Для устранения осевого перемещения червяка нужно снять рулевой механизм с автомобиля и отрегулировать подшипники.
Снятие рулевого механизма необходимо для проверки правильности выполненной регулировки и замера величины усилия проворачивания вала с червяком. Регулировку выполняют уменьшением числа бумажных прокладок, установленных под нижней крышкой картера, в следующей последовательности.
— Снять рулевой механизм с автомобиля. — Слить масло из картера рулевого механизма, разобрать механизм и промыть его детали. — Установить в картер рулевой вал с червяком и подшипниками. — Установить нижнюю крышку картера, предварительно вынув тонкую регулировочную прокладку. — Затянуть болты крепленая крышки и закрепить на валу рулевое колесо. — Проворачивая рулевое колесо, чтобы ролики подшипников заняли правильное положение, проверить червяк на отсутствие осевого перемещения.
— Если люфт не устранен, снять толстую прокладку крышки картера, а тонкую установить на место.
После устранения люфта проверить, используя специальное приспособление, правильность затяжки подшипников. Усилие необходимое для вращения рулевого колеса и соответственно для проворачивания вала с червяком, приложенное на радиусе 212,5 мм, должно быть в пределах 0,22-0,45 кг, без установленного вала сошки. Осевая игра вала в подшипниках при этом должна отсутствовать.
При отсутствии специального приспособления для проверки усилия необходимого для проворачивания вала руля, можно использовать динамометр. Усилие замеряют динамометром у обода рулевого колеса, а динамометр зацепляют за конец спицы.
Усилие, необходимое для проворачивания вала с червяком, находящимся в зацеплении с роликом вала сошки, при положении рулевой сошки для движения по прямой, приложенное на радиусе 212,5 мм, должно быть в пределах 0,9-1,4 кг при проверке без сальников. В среднем положении ролика, в пределах 45 градусов поворота червяка в ту или другую сторону, зазор в зацеплении должен отсутствовать.
После регулировки подшипников червяка установить в картер вал сошки и боковую крышку, и отрегулировать зацепление червяка с роликом. При правильно отрегулированном зацеплении свободный ход на ободе рулевого колеса, при неподвижных колесах, должен быть в пределах 10-15 мм.
Обслуживание рулевого управления автомобилей семейства УАЗ-452
Обслуживание рулевого управления заключается в своевременной смазке шарниров рулевых тяг и доливке масла в картер рулевого механизма, в регулировке рулевого механизма и шарниров продольной тяги, в своевременной подтяжке болтов крепления картера к лонжерону рамы, в проверке крепления рычагов рулевых тяг к поворотным кулакам и пальцев продольной, и поперечной рулевых тяг к рычагам поворотных кулаков и сошке.
Если произошло ослабление конических соединений пальцев, его следует своевременно устранить, для чего необходимо расшплинтовать гайку и затянуть ее до отказа. Несвоевременная затяжка указанных соединений вызывает износ и разрушение конических отверстий в поворотных кулаках и рычагах, что потребует замены деталей.
Один раз в год необходимо снимать рулевые тяги с автомобиля, разобрать шарнирные соединения для промывки и осмотра. При этом детали не следует менять местами во избежание неправильного сопряжения их при сборке.
Если износ сферических поверхностей пальца или сухарей по диаметру превышает 0,5 мм, детали нужно заменить новыми. Устанавливать продольную тягу на автомобиль нужно так, чтобы ее конец, в котором расстояние от отверстия для шарового пальца до конца тяги больше, был обращен назад.
Рулевой редуктор уаз буханка, устройство и работа — Автомеханик
12.12.2019
Рулевой редуктор УАЗ буханка, или, выражаясь техническими терминами, картер рулевого механизма, закреплен в модификациях автомобилей УАЗ-3302, 3909, 2206 на кронштейне левого лонжерона рамы.
Удерживают его на раме четыре болта М16 с шайбами пружинными. На заводе-изготовителе болты затянуты гайковертом с соблюдением усилия затяжки 45 кгс/см².
Регулировка рулевого механизма с гидроусилителем
Снимаем рулевой механизм (см. Снятие рулевого механизма с гидроусилителем), не снимая сошки и удлинителя подводящего шланга.
- Зажимаем механизм в тисках штуцерами вниз и сливаем остатки масла в емкость, поворачивая вал механизма ключом «на 17».
- Нажав рукой на вал-золотник, покачиваем сошку.
- Если при этом ощущается осевой люфт вала, регулируем упорные подшипники. Для этого…
- …через бородок или выколотку выправляем буртик регулировочной гайки, закерненный в пазы картера.
- Специальным ключом поворачиваем гайку по часовой стрелке до устранения зазора.
При этом контролируем момент вращения вала, который должен составлять не более 0,2 кгс.м. Для этого…
- …динамометром зацепленным за ключ «на 17» измеряем момент проворачивания вала-золотника.
- При длине рычага равной 200 мм усилие не должно превышать 1,0 кгс.
- Бородком загибаем буртик гайки в паз.
- Покачиваем рукой сошку рулевого механизма.
- Если ощущается зазор, регулируем зубчатое зацепление.
- Для этого…
…снимаем сошку с вала сектора (см. Снятие рулевого механизма с гидроусилителем).
- Поддев отверткой или лезвием ножа, снимаем верхнюю…
- …и нижнюю защитные крышки.
- Ключом «на 13» отворачиваем контргайки стопорных болтов.
- Ключом «на 12» отворачиваем стопорные болты на 2–3 оборота.
- Специальным ключом поворачиваем регулировочные эксцентриковые обоймы подшипников вала-сектора.
При регулировке следует исключить возможность перекоса вала-сектора, поэтому поворачиваем обоймы поочередно на небольшой угол до устранения зазоров в зацеплении.
Устанавливаем рулевой механизм в обратной последовательности.
ПОЛЕЗНЫЕ СОВЕТЫ
Съемник для снятия рулевого колеса
Рулевое колесо плотно посажено на шлицы рулевого вала и снять его не просто. Выполнение этой работы облегчит самодельный съемник. Материал пластины — сталь, болты стандартные. При изготовлении съемника можно обойтись без сварки. Для этого используем пластину толщиной не менее 6 мм. В ней нарезаем резьбу под центральный болт.
Источник:
Гур на уаз буханку с двигателем змз-409. часть 2
Начало работ по установке ГУР — здесь.
Продолжаем установку ГУР от Митсубиши Кантер на УАЗ буханку.
Переделка рулевой сошки. Раньше я тоже, как и многие рукодельцы, выпрессовывал шар из кантеровской сошки. Точил втулку и разворачивал её под конус наконечника уаза.
А потом, подумал — а нафига я делаю лишнюю работу? Ну, зачем я делаю втулку? Достаточно просто срезать шар в плоскость с поверхностью сошки. Шар этот запрессован туда очень серьёзно. Так что даже обваривать не нужно.
Поэтому с тех пор я не страдаю больше фигнёй а отпиливаю сам шаровый наконечник и фрезерую обе плоскости.
После чего керню в центре и на фрезерном же станке, сверлю отверстие 15,5мм. Затем на токарном станке разворачиваю хитрой развёрткой. Материал конечно несравненно жёстче, по сравнению с металлом из которого я раньше точил втулку. И сам процесс разворачивания под конус, сильно усложнился. Но, за-то я могу смело гарантировать, что посадочное отверстие, в процессе эксплуатации не разобьёт!
С сошкой пока всё. Переходим к установке самого редуктора ГУР от кантера. Старый редуктор снят. Далеко не убираем — пригодится рулевой вал.
Лично я делаю монтажную пластину под редуктор ГУР из листового металла толщиной 6мм. Раньше делал и из более толстого. До 10мм использовал. Но, со временем пришёл к тому, что 6мм хватает за глаза.
Форму пластины, каждый делает как ему свой дизайнер в голове подсказывает. Я не исключение.
В черновом варианте примерно так. В чистовом — все острые углы скругляются. Изнутри, я навариваю гайки. Это позволяет удобно крепить редуктор болтами. Болты — кардана ГАЗона. На них резьба с шагом полтора и материал болтов прочный.
Саму пластину варю на несколько прихваток. Потом, после проверки работы всей системы, редуктор снимаю и обвариваю окончательно.
Теперь рулевая колонка. Выпендриваться не стал и оставил родную колонку и руль. Правда есть нюанс. На родной колонке рулевой вал и его кожух имели жесткое положение в двух точках: в редукторе и в бронзовой втулке кожуха под рулём. Что позволяло закрепить рулевой кожух только в одном месте — на торпеде, хомутом.
В случае же с кантеровским редуктором такая конструкция не прокатывает. Кожух укорачивается и не имеет жёсткого крепления на корпусе редуктора ГУР. Выход из этой ситуации есть. Необходимо сделать вторую жёсткую точку на оси рулевого вала.
Регулировка рулевого редуктора уаз 469
Рулевой редуктор УАЗ буханка, или, выражаясь техническими терминами, картер рулевого механизма, закреплен в модификациях автомобилей УАЗ-3302, 3909, 2206 на кронштейне левого лонжерона рамы.
Удерживают его на раме четыре болта М16 с шайбами пружинными. На заводе-изготовителе болты затянуты гайковертом с соблюдением усилия затяжки 45 кгс/см².
Рулевой редуктор УАЗ 469
Автомобиль УАЗ 469 оборудован механическим рулевым управлением. Оно состоит из рулевой колонки, редуктора и привода. Воздействие на механизм осуществляется из кабины автомобиля с помощью рулевого колеса. В процессе эксплуатации могут возникать различные неисправности рулевого редуктора. Для восстановления его работоспособности необходим ремонт или регулировка.
Фото 1: Рулевой редуктор УАЗ 469 (Источник: Яндекс.Картинки)
Устройство рулевого редуктора УАЗ 469
Рулевой редуктор автомобили УАЗ 469 представляет собой узел, служащий для поворота передних колес автомобиля. Устройство рулевого редуктора УАЗ предусматривает снижение усилий, прилагаемых водителем к рулевому колесу при движении автомобиля.
Картер рулевого редуктора УАЗ устанавливается на раме автомобиля. Узел фиксируется с левой стороны по ходу движения. Крутящий момент от рулевой колонки к редуктору передаётся с помощью карданного вала.
Рабочая пара рулевого редуктора автомобиля УАЗ-469 состоит из глобоидального червяка и ролика двухгребневого типа. Червяк связан с валом, на который передаётся усилие рулевого колеса. Ролик устанавливается на одном валу с сошкой рулевого механизма. Таким образом, при вращении червяка ролик вместе с сошкой смещаются в определенную сторону. Для предотвращения проскальзывания вала, сошка установлена на мелкие шлицы.
При положении колёс для движения по прямой ролик должен находиться по центру червяка. Для правильности установки сошки шлицевое соединение оснащено сдвоенными единицами. Это исключает вероятность неправильной установки детали.
Фото 2: Схема рулевого редуктора УАЗ 469 (Источник: Яндекс.Картинки)
Ремонт рулевого редуктора УАЗ-469
В некоторых случаях может потребоваться ремонт рулевого редуктора. Для того чтобы выполнить работы по ремонту, не обязательно наличие профильного образования. С задачей справится человек, имеющий минимальные технические знания. Разборка рулевого редуктора осуществляется в следующей последовательности.
- Демонтировать редуктор с посадочного места. Для этого необходимо открутить и выбить болт, фиксирующий вал червяка в проушине крестовины. После этого открутить три болта, крепящих рулевой редуктор к раме автомобиля.
- Слить масло. Смазка деталей рулевого редуктора осуществляется маслом. Оно заливается в картер. Во избежание вытекания масла в корпусе установлены сальники. Для слива отработавшей жидкости необходимо выкрутить специализированную заглушку, расположенную на картере.
- Демонтировать сошку. Деталь жестко установлена на валу и зафиксирована гайкой. Для снятия можно использовать специализированный съемник. При его отсутствии можно сбить сошку с вала молотком. Важно не повредить резьбу вала.
- Открутить боковую крышку. Для этого необходимо открутить 4 болта, служащие для крепления крышки к корпусу.
- Демонтировать вал сошки. Деталь вынимается из корпуса редуктора вместе с роликом. Для того чтобы демонтировать вал, следует нанести по нему несколько ударов молотком из мягкого металла. Применение обычного молотка возможно только в совокупности с наставкой из алюминия или меди. Некоторые автомобилисты используют деревянную дощечку. Ее наставляют на вал и наносят удары. Таким образом, удается защитить резьбу от повреждений.
- Открутить болты крепления нижней крышки и демонтировать деталь. Под крышкой установлены регулировочные прокладки. Необходимо аккуратно демонтировать их.
- Демонтировать червячный вал.
После разборки все детали очищают от смазочного материала и металлической стружки, образовавшейся в результате трения. Проводится деффектовка деталей. Вышедшие из строя части необходимо заменить новыми. Сборка и установка узла осуществляется в обратной последовательности. После сборки необходимо провести регулировку рулевого редуктора.
Регулировка рулевого редуктора УАЗ 469
При наличии люфта в рулевом управлении, превышающего норму, необходимо в первую очередь проверить работоспособность крестовины рулевого карданного вала и шарниров рулевых тяг. Сильный износ деталей рулевого управления может привести к возникновению люфта. Если шарниры рулевых тяг и крестовина не изношены, потребуется регулировка узла.
Регулировка момента затяжки подшипников червяка
Чтобы отрегулировать момент затяжки подшипников червяка, необходимо демонтировать узел с автомобиля. После снятия рулевого редуктора необходимо неподвижно зафиксировать его. Для этого используют тиски. После этого регулировка осуществляется в следующей последовательности:
- Сливают из картера смазочный материал.
- Откручивают колпачковую гайку, закрывающую регулировочный винт.
- Демонтируют стопорную шайбу, предотвращающую самопроизвольное смещение регулировочного винта.
- С помощью специализированного съемника снять сошку с вала. При снятии детали без приспособления может понадобиться ее нагрев.
- Открутить болты крепления боковой крышки.
- Легкими ударами молотка из мягкого металла выбить сошку.
- Демонтировать нижнюю крышку.
- Удалить тонкую прокладку, установленную в месте крепления крышки.
- Установить нижнюю крышку рулевого редуктора.
- При наличии смещения червяка по своей оси следует демонтировать крышку и удалить вторую прокладку, а на ее место установить первую. Таким образом, уменьшится зазор между нижней крышкой и корпусом редуктора.
- После регулировки момента затяжки подшипников необходимо провести сборку и установку узла на автомобиль.
Регулировка зацепления червяка с роликом
При износе ролика или червяка появляется люфт в рулевом управлении. Для его устранения не требуется снятие узла с автомобиля. Регулировка осуществляется при установленном на автомобиль редукторе. Для устранения люфта необходимо:
- Установить колеса в положение, при котором транспортное средство будет двигаться по прямой.
- Демонтировать палец рулевой тяги из отверстия сошки. Для облегчения процесса демонтажа можно использовать специализированный съемник.
- Выкрутить гайку блокирующую доступ к регулировочному винту.
- Снять стопорную шайбу.
- Закрутить регулировочный винт до тех пор, пока не исчезнет люфт в зацеплении червяка и ролика.
- Установить стопорную шайбу на посадочное место.
- Установить гайку, закрывающую регулировочный винт.
После регулировки зазора в зацеплении червяка с роликом следует проверить усилие, прилагаемое к рулевому колесу. Слишком сильно закрученный регулировочный винт приведет к повышенному трению деталей рулевого редуктора и к быстрому их износу.
Перед разборкой и регулировкой редуктора следует проверить работоспособность других частей рулевого управления. Разборку и сборку узла можно провести без использования специализированного оборудования.
После правильной регулировки рулевого редуктора на автомобиле УАЗ 469 допустимый максимальный люфт должен составлять не более 10о. Превышение этого показателя свидетельствует о нарушениях в работе других частей рулевого управления.
Еще больше технических статей об УАЗ 469 читайте на нашем сайте
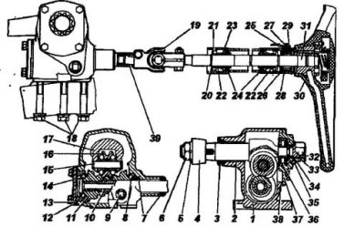
Рулевая колонка уаз буханка
Есть два варианта рулевых колонок на буханках: с карданом и без.
У меня без. Потому тут будут схемы именно без кардана.
Обратите внимание на пункт 9 и 27! Сальник трудно заметить… И заменить тоже трудно) Если после «смены сальников» у вас продолжает течь… не надо хаять УАЗ!) Может вы просто не все сальники заменили?)
Мое любимое видео про регулировку рулевой колонки:
ПС: Заправочный объем картера рулевого механизма: 0.25лЛить туда:ТСп-15КТАП-15ВТАД-17И
ТСп-10 —- это если холодно на улице
Рулевой редуктор УАЗ буханка, или, выражаясь техническими терминами, картер рулевого механизма, закреплен в модификациях автомобилей УАЗ-3302, 3909, 2206 на кронштейне левого лонжерона рамы.
Удерживают его на раме четыре болта М16 с шайбами пружинными. На заводе-изготовителе болты затянуты гайковертом с соблюдением усилия затяжки 45 кгс/см².
Основные характеристики рулевого управления автомобилей семейства УАЗ-452
— Передаточное число рулевого механизма (среднее) : 20,3 — Диаметр в мм : рулевого колеса : 425 вала сошки : 32-0,025, 32-0,050 втулки картера (внутренний) : 32+0,027
сферы пальца : 25-0,1
Устройство рулевого механизма автомобилей семейства УАЗ-452
Червяк рулевого механизма, напрессованный на пустотелый вал, установлен в картере на двух конических роликоподшипниках. Надежность соединения червяка с валом обеспечивается шпоночным выступом и шлицами червяка.
Конические поверхности концов червяка являются внутренними рабочими поверхностями подшипников. Натяг конических роликоподшипников регулируют тонкими бумажными прокладками, подложенными под нижнюю крышку картера. Нижняя крышка крепится к картеру четырьмя болтами с пружинными шайбами. В центре крышки герметически завальцована трубка провода сигнала, которая заходит внутрь вала руля.
Резиновое кольцо, надетое на трубку провода сигнала, поджимается пружиной через металлическую обойму к специальной выточке в торце червяка, предупреждая тем самым попадание смазки внутри вала руля.
На выходе вала червяка из картера запрессован пробковый сальник в металлической обойме. На конце вала на конусе и треугольных шлицах, нарезанных на цилиндрической части вала, установлено рулевое колесо и закреплено гайкой. Вал червяка заключен в рулевую колонку, нижний конец которой закреплен на горловине картера стяжным хомутом.
В верхней части рулевой колонки установлен радиально-упорный шарикоподшипник. Верхнее кольцо шарикоподшипника постоянно поджато пружиной через разрезную втулку, надетую на вал руля, чем предотвращается появление зазора и стуков в подшипнике при движении автомобиля.
В постоянном зацеплении с червяком находится двухгребневый ролик, который представляет собой наружную обойму двухрядного шарикоподшипника, установленного на оси в головке вала сошки. Концы оси расклепаны методом электрорасклепки. Вал сошки вращается в двух подшипниках : в бронзовой втулке запрессованной в картер, и в цилиндрическом роликовом подшипнике установленном в боковой крышке картера рулевого механизма.
Хвостовик головки вала входит в паз регулировочного винта ввернутого в боковую крышку картера. Регулировочный винт фиксируется стопорной шайбой и штифтом, запрессованным в крышку и закрывается колпачковой гайкой. Боковая крышка крепится к картеру четырьмя болтами с пружинными шайбами. Между картером и боковой крышкой установлена уплотнительная паронитовая прокладка. На выходе вала сошки из картера установлен резиновый самоподжимной сальник.
Зазор в зацеплении ролика с червяком регулируют осевым перемещением вала сошки регулировочным винтом установленным в боковой крышке картера. При перемещении вала меняется расстояние между осями ролика и червяка и изменяется зазор в зацеплении.
Масло в картер рулевого механизма наливают через маслоналивное отверстие, расположенное в верхней части картера со стороны боковой крышки, а сливают через маслосливное отверстие, расположенное под горловиной вала сошки. Рулевой механизм устанавливают на специальный кронштейн, приваренный к левому лонжерону рамы. Картер рулевого механизма крепится к кронштейну рамы пятью болтами с гайками и пружинными шайбами.
Сошка рулевого привода УАЗ-452
Сошка рулевого привода посажена на конце вала сошки на мелкие треугольные шлицы, нарезанные на конусе вала сошки. Плотность посадки сошки достигается затягиванием гайки крепления сошки. Под гайку устанавливают пружинную шайбу. Правильность установки сошки на вал обеспечивается наличием в ней четырех сдвоенных шлицев и соответствующих сдвоенных впадин на валу.
Читать дальше: Kia cerato 2004 2008
Поворот вала сошки в обе стороны ограничивается упором ролика в выступы картера, чем предупреждается выход ролики из зацепления с червяком. На автомобилях семейства УАЗ-452 вал сошки имеет некоторый запас хода по углу поворота, так как максимальные углы поворота колес, определяемые упором болтов-ограничителей установленных на поворотных кулаках, несколько меньше углов поворота вала сошки.
Рулевой вал и крепление рулевой колонки
Рулевой вал в верхней части опирается на шариковый радиально-упорный подшипник расположенный в трубе рулевой колонки. На конце вала крепится рулевое колесо диаметром 425 мм. Рулевая колонка при помощи штампованного кронштейна, стремянки и резиновой втулки, компенсирующей перемещение кабины (кузова) во время движения автомобиля, крепится к панели приборов.
Для компенсации смещения рулевой колонки при установке рулевого управления между кронштейном и резиновой втулкой устанавливают регулировочные прокладки, а отверстия в кронштейне для крепления стремянки выполняют овальными.
Кроме того, отверстия кронштейна для его крепления к панели приборов тоже выполнены овальными, что позволяет сместить или повернуть кронштейн в нужном направлении. Подтягивать рулевую колонку к кронштейну при ее креплении не допускается, так как это приведет к изгибу вала руля и неизбежной его поломке.
Увеличенный свободный ход рулевого колеса, более 40 мм при измерении на ободе
— Увеличены зазоры в заделке концов рессор передней подвески. — Увеличены зазоры в шарнирных соединениях рулевых тяг. — Ослабление крепления рычагов поворотных кулаков. — Не затянуты конусы шаровых пальцев. — Износ или нарушение регулировки зацепления червяка и ролика. — Износ или нарушение регулировки затяжки подшипников червяка. — Слабая затяжка гайки крепления сошки.
— Ослабление затяжки болтов крепления картера к кронштейну лонжерона рамы.
Осевое перемещение червяка, ощутимое на рулевом колесе
— Нарушение регулировки затяжки подшипников червяка.
— Износ подшипников или конусов червяка.
Осевое перемещение рулевого колеса на валу
— Слабая затяжка гайки крепления рулевого колеса.
Радиальное перемещение рулевого вала ощутимое на рулевом колесе
— Разрушение или износ подшипника в рулевой колонке.
— Ослабление крепления кронштейна рулевой колонки к панели приборов или гаек крепления стремянки рулевой колонки.
Заедание в рулевом механизме
— Неправильная регулировка бокового зазора в зацеплении червяка и ролика или затяжка подшипников червяка.
— Большой износ ролика или червяка.
Скрипы или щелчки в рулевом механизме
— Отсутствие смазки.
— Разрушение рабочих поверхностей ролика или червяка.
Течь масла из картера рулевого механизма
— Износ сальника вала сошки или повреждение его рабочей кромки при сборке, острыми концами шлицев вала сошки.
Скрип в верхней части рулевой колонки
— Отсутствие смазки в подшипнике рулевой колонки.
— Ослабление крепления кронштейна рулевой колонки к панели приборов.
- Руководство по ремонту 2121
- Рулевая рейка hyundai accent
Устройство руля на УАЗ Паритоте
Неотъемлемой частью любого транспортного средства является рулевое управление(РУ), благодаря которому обеспечивается безопасность передвижения на автомобиле, меняется направление движения, а также совершаются различные маневры. На внедорожнике UAZ Patriot с гидроусилителем в устройство системы РУ входит: рулевая колонка, руль, пара рулевых тяг, поворотные кулаки, и шаровые шарниры.
Рулевой редуктор
Со временем случается такое что руль УАЗ Патриот начинает работать неисправно, основной причинной является выход из строя гидроусилителя или редуктора. Признаки говорящие что требуется регулировка или замена следующие:
- Во время управления автомобилем присутствуют скрипы и посторонние шумы;
- Руль вращается не равномерно;
- Во время вращения рулевого колеса имеются заклинивания или заедания;
- На редукторе присутствует люфт.
Регулировка редуктора не является сложной процедурой, и ее можно произвести самостоятельно, для этого болт нужно вкрутить таким образом чтобы было максимальное стяжение, затем он фиксируется в таком положении, после этой процедуры рулевое колесо начнет вращаться туже. Если произвести регулировку не удаётся, то нужно заменить гидроусилитель.
Регулировка
Для проведения работ по настройке нужно подготовить весь необходимый инструмент:
- Плоскогубцы, чтобы расшплинтовать гайки;
- Набор гаечных ключей;
- Т-30 наконечник в форме звездочки;
- Смазку WD-40.
После того как весь инструмент подготовлен можно переходить к регулировки усилителя:
- Первым делом прямо устанавливаются колеса;
- Открывается капот и находится колонка;
- Поверхность очищается от грязи;
- На картере ГУРА его центральной части находится винт, при помощи которого осуществляется регулировка;
- С сошки снимается наконечник;
- Проверяется наличие люфта и возможных дефектов, для этого сошку нужно подвигать в лево и право. В случае обнаружения дефектов они устраняются;
- Переходим к необходимым работам, ключом на 16 откручивается контргайка, у нее левая резьба, по этой причине ее нужно откручивать по часовой стрелке;
- Когда контргайку ослабили берется ключ T-30 и откручивается винт;
- Проверяется как ходит рулевая сошка, если она двигается туго, винт нужно крутить в левую сторону;
- Регулируется люфт на редукторе, таким образом чтобы он ели ощущался;
- В таком положении до упора затягивается и зашплинтовывается контргайка.
После того как работы произведены нужно проверить чтобы сошка перемещалась плавно без заеданий, наличие небольшого люфта допускается. Затем на место устанавливаются все наконечники и уже во время движения проверяется работа механизма.
Ремонт
В картере рулевой колонки внедорожника УАЗ Патриот имеется слабое место, это резьба куда вкручивается болт, и во время регулировки целостность резьбы может нарушится, это связанно с низким качеством металла. Проблема решается следующим способом:
- При помощи метчика нарезается новая резьба;
- Берется втулка у которой две резьбы;
- Втулка вкручивается по новой нарезанной резьбе и склеивается при помощи цианакрилатного клея;
- В новое отверстие редуктора устанавливается новый регулировочный болт;
- Крышка картера устанавливается на место и закрепляется с при помощи четырех болтов.
После этой процедуры можно производить необходимую регулировка.
Подрулевые переключатели
Для удобства выполнения некоторых манипуляций в автомобиле предусмотрены специальные переключатели, которые располагаются под рулем.
Подрулевые переключатели УАЗ Патриот имеют конструкцию состоящую и двух переключателей, в виде пары пластиковых рычагов, расположенных под рулевой колонкой. Устройство расположенное с левой стороны отвечает за :
- Работу правого повортника;
- Работу левого повортника;
- Включение и выключение дальнего и ближнего света;
- Возможность мигания дальним светом.
Эти функции очень важны во время движения на автомобиле, и передвигаться без них транспортному средству запрещено. Правые подрулевые переключатели отвечают за:
- Переключения скорости дворников;
- Одновременное включение дворников и стеклоомывателя;
- Включение заднего дворника;
- Одновременное включение заднего омывателя и дворника.
Конечно функционал второго рычага менее важный, но передвижение в дождливую погоду или снег будет затруднительным.
Рекомендуем ознакомится с видео:
Подводя итог можно сделать вывод ,что этот механизм всегда должен находится в исправном состоянии, иначе передвигаться на автомобиле становится небезопасно. В случае возникновения каких либо неисправностей все работы по ремонту можно произвести самостоятельно.
Устройство руля на УАЗ Паритоте Ссылка на основную публикацию







