Автомобильный инвертор, преобразующий напряжение 12 В в 220 В, становится важным помощником для водителей, нуждающихся в питании электрических устройств в дороге. Однако покупные модели не всегда соответствуют требованиям по мощности и надежности. В этой статье мы рассмотрим, как сделать автомобильный инвертор 12-220 В своими руками, что позволит сэкономить средства и создать устройство, подходящее для ваших нужд.
Как работает инвертор
Автомобильный инвертор работает на основе генератора с широтно-импульсной модуляцией (ШИМ). Он подключается к 12-вольтовому аккумулятору и генерирует прямоугольные импульсы (меандр) с изменяемой скважностью, то есть соотношением времени, когда напряжение присутствует и отсутствует. При скважности 1 инвертор выдает максимальный ток, а при уменьшении скважности ток снижается, но выходное напряжение остается на уровне 220 вольт.
Частота работы генератора колеблется от 50 килогерц до 5 мегагерц в зависимости от схемы и компонентов. Преобразование высокочастотного напряжения в низкочастотное (50 герц) происходит через сглаживание меандра в колебательном контуре, сформированном трансформатором и конденсатором, а также фильтрацию гармоник. Генератор ШИМ создает переменное напряжение 220 вольт с высокой частотой и модулирует его в синусоидальный сигнал с частотой 50 герц.
При отсутствии нагрузки скважность сигналов ШИМ-генератора минимальна, и выходное напряжение составляет 220 вольт. При подключении нагрузки ток увеличивается, что приводит к падению выходного напряжения. Система обратной связи сравнивает текущее выходное напряжение с установленным стандартом и отправляет сигнал на генератор, увеличивая скважность импульсов, что повышает выходную мощность и напряжение.
Если нагрузка отключена, выходное напряжение может подняться выше 220 вольт. В этом случае система обратной связи снижает скважность импульсов до нормального уровня. Изменение скважности и выходного тока увеличивает нагрузку на аккумулятор, что может снизить его напряжение ниже 12 вольт. В такой ситуации схема обратной связи может увеличить скважность до 1.
Самодельные преобразователи без системы обратной связи могут снижать выходное напряжение при подключении к разряженному аккумулятору. Поэтому они не всегда подходят для питания усилителей или ноутбуков, но могут обеспечить работу устройств с реактивной нагрузкой, таких как электроинструменты, лампы или кипятильники.
Для питания усилителя, приемника, телевизора или ноутбука наличие обратной связи обязательно. Хотя это усложняет схему, обратная связь компенсирует колебания напряжения, обеспечивая стабильную работу устройств.

Создание автомобильного инвертора 12-220V своими руками — задача, требующая определенных знаний и навыков. Эксперты подчеркивают, что прежде всего необходимо тщательно изучить электрические схемы и компоненты, такие как трансформаторы, диоды и конденсаторы. Важно правильно рассчитать мощность инвертора, чтобы он соответствовал потребляемой мощности подключаемых устройств.
Кроме того, специалисты рекомендуют использовать качественные материалы, чтобы обеспечить безопасность и долговечность устройства. Не менее важным аспектом является правильная изоляция всех соединений, что поможет избежать короткого замыкания.
Также стоит обратить внимание на охлаждение инвертора, так как перегрев может привести к его выходу из строя. В заключение, эксперты советуют тестировать устройство на малой нагрузке перед полноценным использованием, чтобы убедиться в его работоспособности и надежности.

Выбор схемы
В интернете выложено огромное количество схем устройств, преобразующих энергию автомобильного аккумулятора (12 вольт) в переменное напряжение 220 вольт и пригодных для изготовления своими руками. Поэтому выбирать схему необходимо, ориентируясь на доступ к элементной базе и опыт работы с такими устройствами. Если неподалеку от вас есть магазин радиодеталей, то вы можете узнать у них, какие контроллеры и силовые транзисторы наиболее доступны и уже под них подобрать наиболее подходящую схему. Также можно воспользоваться теми деталями, которые есть в любом блоке питания компьютера. Оттуда вы сможете взять:
- контроллер (ШИМ-генератор);
- ферритовое кольцо для трансформатора;
- силовые транзисторы;
- конденсаторы;
- резисторы;
- фильтрующие дроссели.
Если вы не уверены в том, что сможете своими руками сделать сложное устройство с обратной связью, собирайте инвертор 12 → 220 вольт на основе мультивибратора на 50 герц. Трансформатор для него можно снять со старого транзисторного телевизора или источника бесперебойного питания (UPS). Такой инвертор занимает гораздо больше места, чем высокочастотное устройство. Однако он проще в настройке, да и детали для него найти легче.
| Компонент | Характеристики | Замечания |
|---|---|---|
| Трансформатор | Мощность: не менее требуемой мощности инвертора (с запасом); Входное напряжение: 12 В; Выходное напряжение: 220 В (или требуемое); Частота: 50 Гц | Выбор трансформатора – ключевой момент. Необходимо учитывать коэффициент трансформации и допустимую мощность. Можно использовать трансформатор от старой техники, но нужно тщательно проверить его параметры. |
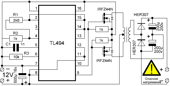
| Микросхема управления (ШИМ-контроллер) | Например, TL494, SG3525, UC3843 | Выбор зависит от требуемой мощности и сложности схемы. Необходимо учитывать особенности работы выбранной микросхемы. |
| MOSFET транзисторы | Мощность: соответствующая мощности инвертора; Напряжение: с запасом по напряжению питания; Ток: с запасом по току нагрузки | Транзисторы должны быть мощными и быстродействующими. Необходимо обеспечить эффективное охлаждение. |
| Диоды | Мощность: соответствующая мощности инвертора; Обратное напряжение: с запасом по напряжению сети; Прямой ток: с запасом по току нагрузки | Диоды должны быть мощными и быстродействующими. Рекомендуется использовать диоды Шоттки для повышения КПД. |
| Конденсаторы | Емкость: достаточная для фильтрации пульсаций; Напряжение: с запасом по напряжению сети | Конденсаторы должны быть высококачественными и рассчитаны на высокое напряжение. |
| Радиаторы | Размер: достаточный для эффективного охлаждения MOSFET транзисторов и других тепловыделяющих элементов | Необходимо обеспечить эффективное охлаждение, чтобы избежать перегрева компонентов. |
| Платы | Материал: германит или текстолит | Выбор материала зависит от мощности инвертора и требований к теплоотводу. |
| Разъемы | Тип: соответствующий требованиям | Выбор разъемов зависит от типа подключаемой нагрузки. |
| Защитные элементы | Предохранители, автоматические выключатели | Необходимы для защиты от перегрузок и коротких замыканий. |
Интересные факты
Вот несколько интересных фактов о создании автомобильного инвертора 12-220V своими руками:
-
Принцип работы инвертора: Автомобильный инвертор преобразует постоянный ток (DC) 12V, который поступает от аккумулятора автомобиля, в переменный ток (AC) 220V, используемый для питания бытовых приборов. Это достигается с помощью схемы, состоящей из трансформатора, ключевых элементов (например, транзисторов) и фильтров, которые обеспечивают стабильность выходного напряжения.
-
Использование солнечных панелей: Многие энтузиасты DIY комбинируют автомобильные инверторы с солнечными панелями, создавая автономные системы питания. Это позволяет не только использовать инвертор для питания устройств в автомобиле, но и заряжать аккумуляторы от солнечной энергии, что делает систему более экологичной и экономичной.
-
Безопасность и защита: При создании инвертора важно учитывать защитные механизмы, такие как предохранители и автоматические выключатели. Это поможет предотвратить перегрев и короткие замыкания, которые могут привести к повреждению оборудования или даже возгоранию. Правильное заземление и использование качественных компонентов также играют ключевую роль в безопасности конструкции.

Подключение и эксплуатация инвертора
Автомобильный инвертор, преобразующий 12 вольт в 220 вольт и мощностью более 120 ватт, требует тока свыше 10 ампер. Поэтому его не следует подключать к стандартному прикуривателю или замку зажигания. Сильный ток может перегреть и сжечь предохранитель, а установка «жучка» вместо него может вызвать короткое замыкание и пожар. Инвертор мощностью свыше 120 ватт нужно подключать непосредственно к аккумулятору через предохранитель и реле с выключателем.
Для этого необходимо проложить отдельный провод и установить розетку на 220 вольт в удобном месте, например, под передней панелью со стороны пассажира или в багажнике. Это упростит использование инвертора: не придется открывать капот и подключать его к аккумулятору. Достаточно нажать кнопку для активации реле, и преобразователь начнет работать.
Паразитные гармоники
Любой инвертор, работающий от аккумулятора 12 вольт, помимо напряжения с частотой 50 герц, производит и огромное количество гармоник. Большая их часть кратна частоте работы ШИМ-генератора. Эти гармоники появляются из-за влияния меандра на колебательный контур, образованный трансформатором и конденсатором. Если уровень гармоник высок, то они будут влиять на работу усилителя, CD-проигрывателя или приемника, подключенных к бортовой сети автомобиля (12 вольт), наполняя их сигнал шумами, треском, рычанием и другими посторонними звуками. Однако, гармоники никак не скажутся на работе ноутбука, лампы или ручного электрического инструмента.
Чтобы снизить влияние паразитных гармоник, преобразователь инвертора 12 – 220 вольт закрывают тонким жестяным экраном и своими руками подключают к минусовой клемме аккумулятора. Также можно бороться с гармониками увеличением частоты ШИМ-генератора, вдобавок подключив своими руками дополнительные дроссели в цепи входного и выходного напряжения. Большая индуктивность не мешает прохождению постоянного тока. Однако для переменного тока действует другое правило. Чем выше частота или индуктивность, тем выше реактивное сопротивление. Учитывая, что частота паразитных гармоник гораздо выше частоты работы генератора, правильно подобранный дроссель в десятки раз снижает их интенсивность.
Безопасность при работе с инвертором
Работа с автомобильным инвертором, который преобразует постоянный ток 12 В в переменный ток 220 В, требует особого внимания к вопросам безопасности. Прежде чем приступить к сборке или эксплуатации инвертора, важно учитывать несколько ключевых аспектов, чтобы избежать травм и повреждений оборудования.
1. Используйте качественные компоненты. При выборе деталей для инвертора обращайте внимание на их качество и соответствие стандартам. Некачественные компоненты могут привести к перегреву, короткому замыканию или даже возгоранию. Рекомендуется использовать детали от проверенных производителей и проверять их на наличие сертификатов качества.
2. Правильная изоляция. Все соединения должны быть надежно изолированы, чтобы избежать случайного контакта с проводами. Используйте термоусадочные трубки, изоленту или специальные соединители. Это особенно важно в местах, где провода могут соприкасаться с металлическими частями автомобиля или другими проводами.
3. Защита от перегрева. Инвертор должен быть установлен в хорошо вентилируемом месте, чтобы избежать перегрева. Убедитесь, что вокруг устройства достаточно пространства для циркуляции воздуха. Если инвертор имеет встроенные вентиляторы, проверьте их работоспособность перед использованием.
4. Защита от короткого замыкания. Включите предохранители в цепь, чтобы предотвратить повреждение инвертора и автомобиля в случае короткого замыкания. Выбор предохранителя должен соответствовать мощности инвертора и характеристикам проводов.
5. Правильное подключение. Перед подключением инвертора к аккумулятору автомобиля убедитесь, что вы соблюдаете полярность. Неправильное подключение может привести к выходу устройства из строя. Используйте красный провод для положительного (+) подключения и черный для отрицательного (-).
6. Избегайте работы в условиях повышенной влажности. Не используйте инвертор в дождливую погоду или в помещениях с высокой влажностью, так как это может привести к короткому замыканию и электрическому удару. Если инвертор используется на открытом воздухе, убедитесь, что он защищен от влаги.
7. Обучение и инструкции. Перед началом работы ознакомьтесь с инструкцией к инвертору и изучите основные принципы его работы. Если вы не уверены в своих навыках, лучше обратиться за помощью к специалисту. Неправильное использование инвертора может привести к серьезным последствиям.
Соблюдение этих простых правил безопасности поможет вам избежать неприятных ситуаций и обеспечит надежную работу вашего автомобильного инвертора. Помните, что безопасность всегда должна быть на первом месте при работе с электрическими устройствами.
Вопрос-ответ
Как можно преобразовать 12 вольт в 220 вольт?
Как преобразовать 12 вольт в 220 вольт: применение инвертора, способ действия. Самым популярным способом использования инверторов является подключение к автомобильному аккумулятору на 12 вольт. Преобразование позволит включить обычные лампы, радио, другие приборы и использовать их по назначению.
Сколько ватт мне нужно для автомобильного инвертора?
Если вы хотите использовать в автомобиле электронные развлекательные устройства, такие как телевизоры, аудиосистемы или игровые консоли, вам может понадобиться инвертор большей мощности. Как правило, инвертор мощностью от 500 до 1000 Вт подходит для питания этих устройств.
Можно ли преобразовать 12 В в 230 В?
Испытайте мощь 12-вольтовых инверторов. Откройте для себя нашу линейку инверторов 12 В, предназначенных для преобразования постоянного тока напряжением 12 В в переменный ток напряжением 240 В / 230 В.
Чем отличается преобразователь напряжения от инвертора?
Преобразователь: преобразует мощность переменного тока в мощность постоянного тока, а также может изменять уровень напряжения, например, со 120 В на 12 В. Инвертор: преобразует постоянный ток в переменный, а также изменяет уровень напряжения, например, от 12 В до 120 В.
Советы
СОВЕТ №1
Перед началом сборки инвертора тщательно изучите схемы и технические характеристики компонентов. Убедитесь, что все детали соответствуют необходимым требованиям по мощности и напряжению, чтобы избежать перегрева и повреждения устройства.
СОВЕТ №2
Используйте качественные материалы и компоненты, такие как проводники с хорошей проводимостью и надежные конденсаторы. Это обеспечит стабильную работу инвертора и продлит его срок службы.
СОВЕТ №3
Обязательно предусмотрите защиту от короткого замыкания и перегрева. Установите предохранители и термодатчики, чтобы предотвратить возможные аварийные ситуации во время эксплуатации инвертора.
СОВЕТ №4
После сборки протестируйте инвертор на малой нагрузке, прежде чем подключать более мощные устройства. Это поможет выявить возможные проблемы и убедиться в правильности работы устройства.

