Как подключить прикуриватель ✅: схема, правильно подсоединить напрямую к аккумулятору через предохранитель, в машине, ВАЗ
В легковых автомобилях
Устройство автомобильного прикуривателя и схема подключения (полярности)
Автомобильный прикуриватель – прибор, изначально предназначенный исключительно для поджигания водителем сигареты.
Устройство прикуривателя осталось практически неизмененным с момента создания. Однако его предназначение поменялось кардинальным образом. Сегодня приспособление используется в качестве автомобильной электрической розетки.
С помощью прикуривателя возможно обеспечить электроснабжение таких портативных приборов, как:
- Обогреватель;
- Автомобильный пылесос;
- Зарядное устройство для навигаторов, видеорегистраторов, телефонов;
- Обогрев сидений;
- Элементы освещения салона.
Практически все дополнительное электрооборудование, предназначенное для автономной эксплуатации в автомобиле, оборудуется специальным входом, необходимым для подключения к импровизированной розетке.
Подключение прикуривателя
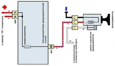
Устройство получает питание от электросети автомобиля. Его подключение осуществляется через монтажный блок без использования реле, напрямую от аккумуляторной батареи. Защиту сети обеспечивает плавкий предохранитель, рассчитанный на эксплуатацию при силе тока не выше 10 ампер.
Если в сети питания прибора возникает короткое замыкание, сила тока резко повышается, нить предохранителя расплавляется и разрывает электрическую цепь, предотвращая воспламенение электропроводки.
С целью дополнительной защиты цепей питания, а также для ручного управления подачей тока, прикуриватель может быть подключен через реле. Однако в автомобилях отечественного производства подобная схема подключения не используется. К патрону, расположенному в панели, подходит 3 провода:
- Постоянный «минус»;
- Постоянный «плюс», подведенный через предохранитель с аккумулятора автомобиля;
- «Плюс» с габаритных ламп, подходящий к лампочке подсветки устройства и работающий только тогда, когда включено внешнее освещение.
Использовать систему зажигания для подключения прикуривателя электрического автомобильного можно только в случае, если электросхема строится с использованием реле. Без этого цепь включения зажигания не выдержит нагрузки.
Устройство
Традиционный автомобильный прикуриватель состоит их двух частей – патрона и гнезда. В центре патрона расположен металлический стержень, играющий роль положительного контакта.
Контактом «-» служит внешняя металлическая оболочка.
Между положительным и отрицательным контактами расположена прокладка, исключающая их соприкосновение. Соединение «+» и «-» осуществляется через нихромовую спираль, которая выполняет функцию нагревательного элемента.
При подаче электричества ток проходит через спираль, нагревая ее до высоких температур. После достижения патроном определенной температуры подача электрического тока прекращается с помощью теплового реле, расположенного в пластмассовой ручке.
Гнездо представляет собой продолговатое углубление в панели автомобиля, в которое вставлена металлическая трубка и центральный контакт. На центральный контакт подается «+» с аккумулятора. Боковая оболочка гнезда служит постоянным «минусом». Также на корпусе прикуривателя расположена лампа подсветки, включающаяся автоматически при активации ламп внешнего освещения.
Чтобы включить режим нагрева, необходимо утопить его патрон в гнездо. При этом он зафиксируется в нажатом положении, положительный контакт патрона соединиться с «+» гнезда, «-» гнезда будет контактировать с «минусовой» клеммой патрона.
Нагревательный элемент начнет работать. Как правило, для нагрева спирали достаточно 15-20 секунд, после чего патрон возвращается в исходное положение с легким щелчком. При низком напряжении в бортовой сети время нагрева может увеличиваться.
Усовершенствование
Как было сказано выше, прикуриватель автомобиля сегодня используется для работы многих устройств. Поэтому одного гнезда может быть недостаточно. Увеличить их количество можно с помощью специальных устройств, продающихся в автомагазинах – растраиватели и раздваиватели прикуривателя.
Устройство представляет собой блок, в котором расположено два или три (в зависимости от выбранной модели) гнезда. Блок подключается к стандартному прикуривателю соответствующим разъемом, соединенным через провод с контактами тройника.
Сам блок растраивателя можно закрепить на панели автомобиля с помощью двухстороннего скотча или силиконового герметика. Таким образом, водитель получает возможность одновременно подключать не одно, а несколько устройств, работающих от прикуривателя.
Как слушать музыку через прикуриватель, как подключить ноутбук и другие устройства
Прикуриватель, это устройство, прямое назначение которого – прикурить сигарету пока ведешь машину. А вот гнездо прикуривателя, с развитием современных технологий, стало использоваться для подключения разнообразных электроприборов к бортовой сети в машине, таких как навигатор, видеорегистратор, зарядное устройство мобильного телефона и ноутбука, автокомпрессора и многие другие устройства. Современный человек уже не представляет себя без своей машины и без средства сотовой связи, а единственное место для подключения различных приборов в машине – прикуриватель.
Плюсы и минусы прикуривателя
Несомненное его преимущество состоит в том, что к его гнезду можно подключить многие электроприборы, так необходимые в дороге и облегчающие жизнь: зарядное устройство для смартфона и ноутбука, регистратор, миниэлектрочайник и множество других.
Большим недостатком прикуривателя служит то, что коммутация больших токов, по своей конструкции, не отличается высокой надежностью, а многие современные электроприборы, такие, как ноутбук или автохолодильник, имеют большую потребность в питании. А ведь чем выше сила тока, проходящего по цепи, тем крепче и надежнее должны быть все соединения.
Конечно, хорошо было бы, если бы для увеличения прочности удержания вилки в гнезде прикуривателя, стали выпускать вилки, на которых было бы побольше прижимных лапок.
Но на сегодняшний день, на большинстве вилок, устанавливают только подпружиненный контакт и две прижимные лапки массы, а площадка центрального контакта в гнезде помещается на разной глубине, иногда и очень небольшой.
В течение поездки от тряски и различного рода толчков происходит нарушение надежности контакта между гнездом и вилкой. Это может послужить причиной того, что соединение начнет искрить, спровоцирует короткое замыкание или даже возгорание. Помимо этого, сейчас становится все популярнее использование разнообразных разветвителей и переходников для прикуривателей, дающих возможность подключения сразу нескольких электроприборов, а это увеличивает нагрузку на сеть и снижает надежность системы.
Инструменты
Для самостоятельного подключения прикуривателя в машине понадобятся следующие инструменты:
- пассатижи;
- отвертка;
- напильник (можно надфиль взять);
- паяльник.
Последовательность работы
Подключая прикуриватель в машине, нужно придерживаться определенной последовательности в работе:
- скрутить гайку, находящуюся на тыльной стороне прикуривателя;
- разобрать само устройство;
- в нижней части устройства должна находиться полупроводниковая пластина, которая частенько служит причиной того, что прикуриватель перестает нормально функционировать;
- пластина удаляется за ненадобностью;
- на корпусе устройства спиливается выступ напильником или надфилем;
- после этого прикуриватель нужно собрать;
- провода для подключения прикуривателя необходимо зачистить на 7 мм;
- на всех проводах обжимаются клеммы;
Важно! Соблюдайте полярность подключения проводов, иначе, допустив ошибку, можно вызвать короткое замыкание.
- теперь необходимо убрать центральную консоль в машине;
Совет! Для удобства работы, желательно убрать подлокотник и кожух рычага, хоть это и трудоемкая работа. Ведь некоторые саморезы расположены неудобно и до них трудно добраться.
- отсоединить провода подсветки;
- после этого извлекается блок;
- теперь можно подключать провода, используя для этой цели специальные соединительные клипсы;
- провода присоединяются так: первый провод идет к проводу от подсветки. Он бело-коричневого цвета, второй и третий присоединяется к проводам прикуривателя (черный и желтый). После этого каждое соединение обматывается изолентой;
- провода необходимо протянуть вниз и присоединить к разъему от прикуривателя;
- когда они будут присоединены, можно установить прикуриватель на свое место, выполняя обратную последовательность операций. Сначала проталкивается его кольцо, а потом уже можно установить и его стакан;
- установить блок подсветки.
Иногда может случиться, что диаметр кольца не подходит к нужному отверстию, кольцо может оказаться шире по диаметру. Тогда можно надфилем или напильником увеличить отверстие до подходящего диаметра.
После того как устройство будет подключено, необходимо сразу же проверить насколько нормально оно функционирует.
Многие водители считают прикуриватель в машине лишним. Курящие водители пользуются привычной зажигалки, а некурящим он и вовсе не нужен. Но все же не зря прикуриватель устанавливают даже на новейших современных машинах, ведь к его гнезду можно подключить множество любимых и необходимых в поездке приборов. Давайте рассмотрим самые популярные и необходимые, которые можно подключить к гнезду прикуривателя.
Пылесос, ведь чистота любимой машинки бывает важнее, чем чистота дома. Автомобильные пылесосы, работающие от прикуривателя – очень разные, отличаются по мощности, количеству насадок и внешнему виду.
Автокомпрессоры избавляют водителей от необходимости накачивать шины «по старинке», насосом. Попутно автокомпрессором можно накачать надувную лодку, матрас или бассейн. Компрессоры бывают разной мощности.
Можно подключить и вентилятор. В жару, если нет кондиционера, это устройство неплохо выручит.
Еще одним удобным и полезным прибором можно назвать обогреватель для машин. Это может быть тепловентилятор для быстрого отогревания и размораживания стекол или накидка с подогревом на сиденье. Они легко подключаются и легко демонтируются в теплое время года.
Мобильный телефон. Сегодня невозможно представить человека без сотового телефона, а он ведь может разрядиться в тот момент, когда позвонить, ну, просто, жизненно необходимо. Для этого и существуют разнообразные телефонные автозарядки. Еще есть зарядки для разных аккумуляторов, например, для батарей ноутов, пальчиковых аккумуляторов АА, ААА и прочих.
Адаптер, если его подключить к автомобильной сети, сделает жизнь автолюбителя в дороге намного комфортнее. При его помощи можно воспользоваться электробритвой, подзарядить планшет, и другие маломощные устройства. Адаптеры бывают универсальными и специализированными.
В дальней дороге хорошо выручит контейнер для разогрева пищи или, его более дорогой шедевр – микроволновая печь.
Подключение магнитолы. На большинстве современных авто питание автозвука встроено, но на старых, особенно отечественных, такой линии нет и чаще всего проводку от магнитолы подключают к прикуривателю.
Правила пользования
Все приборы, подключаемые к прикуривателю, электрические и правила безопасности по работе с ними необходимо соблюдать, согласно инструкции работы с электроприборами. Это значит, не превышать нагрузку (внимательно читать инструкцию к электроприборам).
Пользуясь разветвителем, нужно складывать мощность всех подключенных приборов.
Главное, что следует помнить, это то, что даже при выключенном двигателе, включенные в прикуриватель электроприборы продолжают работать и существует риск разрядить аккумуляторную батарею, особенно если подключены такие приборы, как автохолодильник или видеорегистратор.
В статье мы подробно разобрали, как подключить прикуриватель, а также узнали, для чего он нужен. Но если вам недостаточно одного гнезда, предлагаем посмотреть следующее видео, из которого вы узнаете, как подключается дополнительный прикуриватель в машине:
Установленный прикуриватель должен долго и без излишних проблем обеспечивать энергией всех потребителей, подключаемых к его гнезду через бортовую сеть транспортного средства.
Как поставить розетку в машину. Выбираем инвертор
Лето — сезон отпусков, покатушек на море и в лес, время невероятных историй и безумных приключений. Уже предвкушаешь, когда начальник отпустит тебя на отдых, чтобы прыгнуть в любимый таз и отправиться исследовать места, где не ступала нога человека?
Не забудь обзавестись розеткой в машине, чтобы заряжать все свои гаджеты хоть на пляже! Странно, но многие не знают, что в автомобиль ее очень просто добавить, и сегодня мы поговорим об этом.
В работе над этим материалом мне помогал автомобильный мастер с золотыми руками Богдан Д., дружно скажем ему спасибо, разложил все нюансы по полочкам.
Тебе понадобится автомобильный инвертор, что это такое?
В современных тачках масса электрических приборов, работающих от аккумулятора. Им нужно напряжение 12В, и вся электроника внутри твоего таза разработана именно под него. Но тебе нужно 220 или около того, где его взять?
Представь, хочешь поехать с друзьями на природу, загрузить в сковородку креветок, бросить все это на костер и отметить любой день лета с хорошим европейским пивом. Берешь из дома самую обычную аудиосистему и подключаешь в розетку прямо в машине. Отличный план!
Чтобы реализовать задуманное, тебе нужно купить пару кило морепродуктов, ящик нефильтрованного и автомобильный инвертор.
Это такой прибор, который поможет преобразовать ток в электросистеме машины необходимым образом и даст возможность подключить через себя не только домашнюю аудиосистему, но даже телевизор или холодильник.
Автомобильный инвертор преобразовывает постоянное напряжение в тачке в переменное — такое используется у тебя дома. Для этого нужен встроенный генератор тока. Он создает гармоничную волну, которая и переделывает твои 12В в 220 или около того.
В нормальном инверторе также есть защитные механизмы. Они нужны, чтобы девайс не загорелся, когда слишком сильно нагреется от высокой нагрузки. Есть даже модели, в которых предусмотрено активное охлаждение воздушного типа.
А какие инверторы внешне? Чаще всего это такие небольшие коробки, которые можно подключить или к прикуривателю, или прямо к электрической системе автомобиля.
В них есть несколько розеток для подключения самых обычных вилок от бытовых приборов, а на некоторых — даже пара USB, и в них можно засунуть любые мобильные гаджеты.
В общем, если планируешь ехать на поиски приключений, тебе точно нужен инвертор.
Чем дорогой инвертор отличается от дешевого и наоборот
Уверен, ты уже побежал по интернет-магазинам искать подходящий инвертор. Когда поймешь, что цена на эти устройства может отличаться в десятки раз, возвращайся к этой статье и изучай дальше.
Будь уверен, дело не только в именитости бренда. Нет, в большинстве случаев на стоимость влияет именно функциональность девайса — например, его мощность.
Эксперт, которого я пригласил, чтобы подкрепить информацию опытом, предлагает делить все инверторы в этом плане на три категории.
До 300Вт. Это самые слабые модели, которые в большинстве случаев подключаются именно через прикуриватель. Есть варианты, когда такие можно прицепить напрямую в электросеть автомобиля, но это бессмысленно — слишком много мороки.
Чаще всего такие берут для подпитки мобильных устройств и некоторых ноутбуков. Но иногда проще просто засунуть в прикуриватель автомобильную зарядку.
300 — 1500Вт. Такие автомобильные инверторы называют стандартными или обычными. Они запитываются только напрямую от электросети машины.
Их можно использовать для подключения телика, любого ноута и даже микроволновки.
Больше 1500Вт. Эти особо мощные инверторы подключаются только сразу к электросети, а выбирают их в основном для сложных работы на дикой местности (например, стройки).
К такому и дрель можно легко подключить, и болгарку, если это реально нужно.
Смотри, когда выбираешь инвертор, ориентируйся, чтобы он превосходил твои устройства по мощности хотя бы на 20-30%. Если подключишь что-то чересчур мощное, он сгорит и рискует спалить проводку в тачке (по крайней мере, в теории). И на 100% длительное время не загружай, рискуешь испортить.
Если устройства, которые ты планируешь подключать к инвертору, требуют стабильные 220В, выбирай самый мощный — больше 1500 Вт. Модели на 300Вт вряд ли выдадут больше 200В.
Каждый автомобильный инвертор может работать в 3 режимах:
- Режим запуска — на нем аппарат быстро отдает максимальную мощность, чтобы «завести» что-то требовательное. В таком режиме он долго не протянет.
- Обычный режим — в таком инвертор поддерживает свою обычную мощность сколько нужно.
- Режим перегрузки — особо мощный режим. В таком инвертор проработает до 30 минут, в данном случае он выдает до 1,5 больше заявленной мощности.
Инженер со стажем подтвердит, что на максимальной мощности любое устройство не проживет долго.
Вот и инвертор в 95% случаев должен использоваться в обычном режиме, и для этого к нему не нужно подключать устройства, которые не подходят по его мощности.
Как выбрать нормальный автомобильный инвертор и не промазать
Есть откровенно дешевые некачественные инверторы, которые нужно обходить стороной. А в остальном правильный выбор такого устройства у каждого будет своим.
Инвертор подбирают под конкретные девайсы, которые будут в него подключаться, и вот 6 моментов, которые нужно учесть.
1) Проверь мощность генератора авто. Есть золотое правило: мощность инвертора не может быть больше 50% мощности генератора.
Только в этом случае, когда твоя тачка заведена, инвертор не будет разряжать аккумулятор — по крайней мере, с подключенными в него устройствами. Около одной половины его мощности пойдет на нужды систем авто, поэтому у тебя остается вторая.
Если не соблюдаешь это правило, рискуешь оказаться где-то в лесу с разряженным аккумулятором. Звучит не слишком радужно, не так ли?
Смотри, преобразователь на 750Вт работает при напряжении 13В — это 58А. ВАЗовская 10-ка на холостых оборотах не выдаст такой ток, поэтому инвертор будет есть заряд аккумулятора и подведет тебя в самый неподходящий момент.
Максимально генератор этого автомобиля может выдать 80А, но этого получится достигнуть только при 5000 оборотах двигателя в минуту.
2) Определи для него устройства. Желательно внимательно изучить девайсы, которые ты будешь подключать к инвертору: сколько мощности им нужно на запуске, в обычном режиме и на пике.
Также учитывай, что от мощности инвертора зависит напряжение, и 220В более менее стабильно смогут выдать только самые мощные.
Xiaomi Mi Car Inverter Mijia изнутри
3) Пойми модель его использования. Прикуриватель в авто обычно выдает не больше 100Вт, поэтому при покупке инвертора, который будет подключаться к нему, обрати на это внимание.
Если тебе нужно что-то более мощное, продумай, что и как туда будет подключаться, где должна быть розетка: внутри салона или нет — все это сильно повлияет на твой выбор.
Xiaomi Mijia SMARTMI
4) Обрати внимание на его бренд. Нормальный инвертор оснащается защитой от короткого замыкания и перегрева, китайский неизвестного происхождения — нет.
Лучше всего ищи подходящую модель в крупных сетевых магазинах, там тебе точно не всучат что-то откровенно дикое.
Если же обожаешь AliExpress, обязательно обрати внимание на инверторы Xiaomi:
Оба инвертора на 100Вт — они подключаются в прикуриватель именно для мобильных гаджетов.
Xiaomi Mi Car Inverter Mijia
5) Уточни тип розетки инвертора. Смотри, например, в Xiaomi Mi Car Inverter Mijia для подстаканника не наша розетка, поэтому тебе понадобится переходник.
А вот в Xiaomi Mijia SMARTMI универсальный вход под любые вилки, но абсолютно другой форм-фактор. Выбирай, что тебе ближе по душе, если рассматриваешь именно Xiaomi.
6) Зацени доп. фичи инвертора. Дорогие инверторы предлагают массу вспомогательных возможностей: информационные экраны, изменение напряжения и USB. Если в этом нет необходимости, не переплачивай.
Мне нравятся инверторы для прикуривателя с USB. С одной стороны, ты получаешь полноценную розетку, с другой стороны, не лишаешься интерфейса для зарядки своего iPhone.
Инвертор сложный прибор, и его нужно правильно использовать
Несмотря на массу защитных механизмов, инверторы все равно остаются достаточно сложными устройствами, которые не любят наплевательского отношения.
Чтобы не сжечь всю электрику в своем автомобиле, запомни простую последовательность действий по его использованию из 3 шагов.
Во-первых. Когда ты заводишь тачку, инвертор обязательно должен быть выключен.
Во-вторых. Когда ты завелся и включил инвертор, подожди секунд 10-15.
В-третьих. Только после этого подключай в инвертор свои устройства.
Если ты выбрал нормальный инвертор и правильно его используешь, у тебя не будет ровным счетом никаких проблем.
Вместо вывода: а нужен ли тебе вообще именно инвертор?!
На самом деле, вот это очень непростой вопрос, в котором ты должен разобраться в первую очередь.
Например, для всех мобильных устройств у тебя точно есть зарядные банки, которые продлят им жизнь на несколько дней. Такая же история с современными ноутбуками, а нормальные переносные колонки проживут от одного заряда не одни сутки.
Тем не менее, у тебя может быть не самый новый ноутбук, зарядка для аккумуляторов от фотоаппарата, домашние колонки, которые можно использовать на вынос, и другие гаджеты, для которых инвертор за городом станет настоящей находкой.
По традиции пиши свое мнение по поводу розетки в машине. Абсолютный мастхэв или безумно бесполезная ерунда?
поста:
(5.00 из 5, оценили: 1)
Как подключить видеорегистратор без прикуривателя: 4 лучших способа + видео
Сейчас любой современный автомобиль нашпигован электроникой и разными дополнительными функциями, делающими езду комфортной и безопасной для человека. Однако, не все устройства устанавливаются производителями. Много интересных и полезных штук в свою машину вносят уже водители. Например, видеорегистратор.
Записывающая камера на самом деле является отличным помощником, который выручит в трудную минуту — автокатастрофа, ДТП, подставы и прочие инциденты, возможные на дорогах. Допустим произошла авария с жертвами, в которой водитель совершенно невиновен. Доказать это правоохранительным органам будет очень трудно, да и зачастую никто слушать вас не будет. Ведь человека намного легче наказать, чем выяснить истину. Вот для таких случаев и существует видеорегистратор. Запись является аргументом водителя. Причём не только в случае ДТП, а и в других важных ситуациях. Порой на камеру запечатлеваются очень интересные кадры.
Исходя из всего сказанного, такое устройство просто необходимо установить и себе. Но как это делается и какие существуют способы подключения знают единицы. Чаще всего видеорегистратор врезают в цепь прикуривателя, но это не самый удобный вариант. Есть масса других, о которых стоит узнать.
Размещение видеорегистратора
Прежде чем думать как подключать записывающее устройство к сети автомобиля, нужно сначала правильно его разместить. В этом моменте важно, чтобы ракурс камеры захватывал всю дорогу и желательно край обочины. Кстати, с каждым регистратором это делается индивидуально, так как угол обзора у всех камер различается и располагать их тоже нужно по-особому.
Например, если оборудование рассчитано на 120 градусов (эффект «рыбий глаз»), то его можно прикрепить ближе к лобовому стеклу. Соответственно, чем меньше будет это градус, тем дальше придётся устанавливать устройство.
Где установить видеорегистратор
Ещё один важный момент — местоположение. Поскольку в машине пространство ограничено, существует всего несколько мест для камеры:
- Лобовое стекло. Наиболее удобный способ размещения. В этом случае отлично справляется со своей задачей кронштейн в виде присоски, который и крепится к стеклу. Хорошо, если устройство лёгкое и ему хватит одной присоски. Тогда есть возможность прицепить его на любую часть, но наиболее подходящее место находится возле зеркала заднего вида, то есть по центру;Лучшие места для установки видеорегисстратора на лобовом стекле: 1, 3, 5, 6 и 8. Места, отмеченные красным, не рекомендованы для установки видеорегистратора.
- Передняя панель. Тоже неплохой вариант. Здесь видеорегистратор можно закрепить как на присоске, так и при помощи шурупов или болтов.Расположение видеорегистратора на передней панели
На самом деле, есть множество мест, где можно установить записывающее устройство. Это может быть и крыша, и само зеркало, и панель. Главное, чтобы был правильный ракурс и надёжное крепление. Также нужно учитывать, что практически в любом автомобиле есть подушки безопасности. Они встроены как раз в переднюю панель. При срабатывании они могут выломать регистратор, вследствие чего он повредит пассажира и водителя спереди. К этому моменту нужно внимательно относиться при установке!
Варианты подключения видеорегистратора
Когда камера установлена, самое время её подключать. Не забывайте то, что способ подключения будет зависеть от расположения устройства. Так, например, если оно закреплено в верхней части лобового стекла, то разумнее будет питать его от потолочного фонаря. То есть, чтобы не тянуть по салону лишний провод, желательно искать источник питания поблизости. Напомним, что видеорегистратор потребляет всего 5 Вольт, а значит нужен преобразователь, который тоже будет входить в цепь. Затем достаточно просто найти где-нибудь массу (корпус автомобиля) и источник напряжения, идущий от аккумулятора.
Также нужно учитывать, что придётся демонтировать некоторые части обшивки салона, чтобы спрятать под неё провода. Следовательно, логичнее будет разместить записывающее устройство локализовано. Хотя, если шнур мешать и портить интерьер не будет, то обшивку можно и не трогать. Наиболее распространёнными местами подключения являются:
Подключение видеорегистратора к плафону освещения
В этом случае целесообразно выбрать верхний фонарь, так как он находится ближе всех других приборов освещения.
регистратор, подключенный к плафону освещения
Сначала нужно снять светорассеиватель. Делается это путём откручивания шурупов или отстёгивания защёлок. Затем лучше воспользоваться вольтметром, чтобы найти нужные провода. Только не путайте те, которые идут от дверного реле, иначе регистратор будет работать только при распахнутой двери. Далее правильно (плюс к плюсу, минус к минусу) припаиваем блок питания, который будет переделывать автомобильные 12 Вольт в 5 и следом к нему присоединяем проводку записывающего устройства.
Теперь осталось проверить работоспособность. Если камера снимает, значит вы всё правильно сделали. Качественно изолируем соединения, прячем их под панель и собираем всё назад.
Подробнее про данный вариант подключения регистратора можете посмотреть в видео:
Также имеются специальные адаптеры к плафону освещения с розеткой прикуривателя. После снятия плафона, их подключают к жгуту плафона, а в сам прикуриватель вставляют провод от видеорегистратора. Затем провод продевают, например, через верхнюю обшивку крыши и вставляют его в видеорегистратор. Все оставшиеся провода прячутся под верхней обшивкой. Однако рекомендуется поставить предохранитель на такую конструкцию.
Подключение видеорегистратора к плафону освещения при помощи адаптера
Подключение видеорегистратора к магнитоле
Это, наверное, один из самый лёгких вариантов подключения, поскольку проводка с питанием для аудиосистемы автомобиля проходит наиболее близко к месту установки видеорегистратора. Провода регистратора нужно впаять в систему питания магнитолы, только, опять же, необходимо сделать это правильно.
Для начала необходимо найти шнур под постоянным напряжением с помощью прибора или самодельной контрольной лампочки, а только потом его зачищать и припаивать видеорегистратор через преобразователь, так как на магнитолу идет напряжение 12 Вольт. Проблема здесь только в одном — проводка на магнитолу идёт под передней панелью.
В лучшем случае придётся снимать саму магнитолу, а в худшем — всю панель.
Подключение видеорегистратора к магнитоле
Также можете посмотреть полезное видео:
Подключение видеорегистратора к аккумулятору
Если смотреть объективно, то это лучший вариант. Ведь в этом случае записывающее устройство будет иметь свою магистраль постоянного тока и сможет работать независимо от других факторов. Однако для этого понадобится немного больше знаний и деталей.
Подключать видеорегистратор к аккумулятору нужно с осторожностью, не забывая про предохранитель
Чтобы подключиться к аккумулятору, добавляем к заводскому шнуру камеры ещё один и ведём его в моторный отсек максимально маскируя. Под капотом, на крыле находится блок с предохранителями. Обычно в этом блоке есть запасной ряд, к которому и надо подключиться. Затем уже прокладываем провод от блока к аккумулятору, соблюдая полюса. Массу вообще можно прикрутить к корпусу автомобиля, чтобы не расшатывать лишний раз клеммы. Обязательно нужно не забыть добавить в цепь преобразователь. Его желательно ставить в защищённом от воды месте.
Тем не менее, не стоит забывать о предохранителе (рекомендуется на 15 А).
Подробнее о способе подключения можете посмотреть в видео:
Подключение видеорегистратора к замку зажигания
Более редкий случай. Регистратор будет работать только с включенным зажиганием. Для этого нужно снять обшивку рулевой колонки и найти на замке положительную клемму. Минус подсоединяется к корпусу. Также нельзя забывать о блоке питания на 5 Вольт.
Это наиболее примитивные места, чтобы подключить видеорегистратор к питанию автомобиля. Прикуриватель в этот список не входит, поскольку от него, как правило, уже что-то питается (зарядка телефона, ноутбука и т.д.), а ещё он работает только при включённом зажигании, что очень неудобно.
Также можете посмотреть полезное видео по теме:
Что нужно знать при подключении видеорегистратора
Подключить записывающее устройство можно куда угодно. Любой фонарик, лампочка, электроприбор работают от электричества, которое идёт от аккумулятора по проводке. Если найти плюсовой вывод, то подключиться к нему не составит труда. Вопрос в том, как он будет работать. Например, если это потолочный фонарь, то туда напряжение поступает постоянно, в отличие от прикуривателя. Большинство приборов работают только с включенным зажиганием, что не очень предпочитает видеорегистратор. Проще говоря, от прикуривателя он будет работать только при заведённой машине. Ну или придётся не высовывать ключ из замка, когда пойдёте в магазин или ещё куда-то.
От прикуривателя регистратор работает только при заведенном автомобиле
Также важным моментом является напряжение. Камера потребляет всего 5 Вольт, когда в автомобильной сети 12. Чтобы устройство не сгорело, приходится в цепь питания включать преобразователь и иметь . Это прибавляет дополнительных хлопот и внимательности. В том случае, если вы подключаетесь к магнитоле, то блок питания не нужен. Но помните, что не все аудиосистемы работают от 5 Вольт. Есть много видов, потребляющих стандартное напряжение. Тогда понадобится преобразователь, который часто идёт в комплекте с регистратором.
Советы по подключению видеорегистратора
Конечно, лучше всего, чтобы человек разбирался хоть немного в теме электричества. Тогда и никаких советов не нужно. Желательно также обладать начальными навыками пайки. А для того чтобы не случилось неприятностей, необходимо соблюдать основные меры безопасности:
- Первое что учитывается — это аккумулятор. Прежде, чем лезть в проводку автомобиля лучше скинуть клеммы с батареи, чтобы исключить риск замыкания. Кроме того, паяльником по неосторожности возможно нанести непоправимый вред самой АКБ.
- Проводка под элементами панели прокладывается очень аккуратно, чтобы не смять её и не оголить изоляцию. Шнур должен приобрести расслабленное состояние и ни обо что не тереться.
- Соединения нужно тщательно изолировать. Для этого используют разные приспособления: изоляционная лента, термический клей или усадка и т.д.
- Для точного определения плюса и минуса лучше пользоваться прибором — тестером. С его помощью безопасно можно проверить напряжение на любом проводе.
Если необходима круглосуточная запись видео, то подключать видеорегистратор лучше всего к аккумулятору. В таком случае у него будет своя собственная дорожка питания. То есть, он будет работать постоянно, независимо от состояния машины. Выключить его можно будет только с кнопки на самом устройстве.
В принципе, подать питание на видеорегистратор ничуть не сложнее, чем на лампочку освещения. Важно только учесть преобразователь напряжения. Ну а если нет уверенности в своих силах, то лучше поехать в автосервис, где сделают так, как хочет владелец. Стоить это будет немного, а сделают на совесть.
При самостоятельном подключении соблюдайте меры безопасности, чтобы не нанести вред своей машине.
Подключение видеорегистратора без прикуривателя в автомобиле
Некоторые видеорегистраторы содержат встроенные аккумуляторы небольшого объема – их хватает на беспрерывную запись картинки в течение 10-15 минут. Чтобы полноценно использовать устройство, нужно подсоединить устройство к бортовой сети машины. Стандартное подключение через прикуриватель неудобно тем что:
- прикуриватель может быть занят;
- висят лишние провода сверху вниз;
- в некоторых машинах питание прикуривателя не отключается, при отключении зажигания, тем самым можно посадить аккумулятор.
Владелец задумывается, как использовать регистратор в автомобиле без прикуривателя, чтобы была обеспечена безопасность.
Основные способы
В случае, когда прикуриватель неисправен или занят другими устройствами, пользуются нестандартными методами подключения видеорегистратора. С их помощью отпадет необходимость использовать лишние разъемы.
регистратор подсоединяется следующими способами:
- через плафон освещения, располагающийся на потолке;
- к зажиганию;
- сразу к аккумулятору;
- к питанию магнитолы;
- к внутренней поверхности прикуривателя.
Наиболее частые способы, которые используются это подключение через плафон, и зажигание.
Перед установкой регистратора в машине необходимо определиться где закрепить устройство.
Рассмотрим два варианта крепежа:
с помощью присоски;
двухстороннего скотча.
Рекомендуется использовать стандартный метод крепежа — на присоске, так как присоска идет в комплекте с устройством и легко демонтируется со стекла, в отличие от скотча.
Плафон освещения
Если прибор расположен сверху, то видеорегистратор рекомендуется подсоединить к плафону освещения. Это самый близкий узел электроснабжения. Для осуществления задачи понадобятся следующие инструменты:
- плоская отвертка и крестовая;
- набор кабелей, с помощью которых прибор будет подключаться к электричеству;
- комплект крепежных скоб с липучками;
- изолента;
- паяльник;
- гнездо прикуривателя «мама» (необязательно).
Руководство по креплению проводов:
- Верхний плафон освещения разбирают при помощи отвертки с крестообразным или плоским наконечником – зависит от типа крепежа.
- Контакты плафона и регистратора соединяются плюс к плюсу, минус к минусу. Можно провести соединение концов проводки со штекером плафона.
Изолировать провода нельзя, это прописано во всех правилах пользования электротехникой. Плохое соединение нередко провоцирует помехи в записи видео, искажает запись. Чтобы определить с каким проводом соединить плафон с регистратором использует мультиметр, также поможет маркировка провород. Красный — плюс. Черный — минус.
Штатный штекер для подведения питания к регистратору не подходит – его разбирают или покупают дополнительное гнездо прикуривателя «мама». Разбор рекомендуется доверить специалисту с техническим образованием или опытом работы. Безопасность при подсоединении к плафону обеспечивает модуль питания. Он продается во многих магазинах.
Для обеспечения максимальной безопасности при подключении к световому прибору используют модуль питания. Его приобретают отдельно от набора, поскольку он не входит в комплектацию.
Пример монтажа на Ладу Гранту
Для примера рассмотрим монтаж регистратора через плафон на Ладе Гранте. На данном автомобиле плафон отключается не сразу после отключения зажигания, а минут через 10-15.
Чтобы не резать стандартный провод питания регистратора, купим гнездо прикуривателя «мама» c проводами.
Разбираем плафон. Крепится на двух шурупах и одной защелки.
Отключаем питание плафона.
Далее необходим паяльник. Паяем гнездо «мама» с плафоном. Красный провод к красному, черный к черному.
Далее вставляем питание регистратора в гнездо и все собираем обратно.
Смотрим видео монтаж через плафон.
Через зажигание
При подключении через зажигания видеорегистратор станет функционировать только после поворота ключа. Последовательность действий для монтажа устройства:
- Фиксируют оборудование и подключают его через адаптер.
- Кабели прокладывают по низу или вверху лобового стекла, подключают к системе зажигания.
- Плюс от зажигания подключается к плюсу регистратора, минус к минусу. Здесь сложность только в определение где плюс и минус. Можно посмотреть схему автомобиля или воспользоваться тестером и прозвонить контакты.
- Теперь крепят минус к минусовым контактам разводки.
Через питание магнитолы
Подсоединение происходит по стандартной процедуре – с помощью соединения проводов и изоляции точки стыка. Некоторые модели магнитол работают при напряжении 5В, тогда кабели коммутация идут стразу к штекеру.
Прежде всего, нужно измерить уровень напряжения на всех точках. Для этого применяют тестовый прибор. Штатный блок или дополнительный трансформатор находится внутри приборной панели. Регистратор монтируют на металлический силовой каркас. Стоит удостовериться, что оборудованный узел не мешает механизмам управления климат-контроля.
Не рекомендуется ставить блок питания поблизости к воздуховодам, которые нагреваются при работе. Если осуществлено подсоединение к точкам с напряжением 5В, то нужно проложить провода к участку, где будет расположен видеорегистратор.
К аккумулятору
Такое подключение – сложное мероприятие, но очень надежное. Нагрузка на аккумулятор не будет большой. Но в данном случае необходимо воспользоваться переходником или комбинацией с пуско-зарядным прибором. Дополнительно приобретают предохранитель силой тока 15 А.
Подсоединение регистратора осуществляется через моторный отсек. Это делается одним из двух способов – напрямую с использованием предохранителя или через монтажный блок, в котором располагаются резервные точки электропитания.
Контакт со значком «плюс» питают к аккумулятору, а минус – к свободному проводу такой же полярности. Подробный алгоритм:
- регистратор ставят на выбранное место.
- Подсоединяют провод через переходник, соблюдая полярность. Если пользователь спутает, то прибор может выйти из строя или сгореть.
- Теперь кабель проводят под обшивкой и отправляют в подкапотный отсек. Чтобы лучше защитить цепь, устанавливают предохранитель.
Возможен второй вариант прокладывания провода – отправить его в двигательное пространство через блок с предохранителями. В них должны присутствовать резервные отсеки. Завершающий шаг – подсоединить плюс к аккумуляторной батарее, а минус – к любому проводу в бортовой сети.
В чем состоит опасность нестандартного подключения регистратора
Иногда подсоединение видеорегистратора нестандартными методами и собственными силами с несовершенным знанием считается опасным. Производители транспорта советуют не прибегать к таким мерам, так как штатные предохранители и электрическая схема предназначены для недолгого использования. При постоянной эксплуатации кабели подвергаются тепловому старению.
Предохранитель не дает реакций на такие явления – он создан с учетом возможности отключиться при возникновении пограничных показателях тока. Если пользователь станет подсоединять регистратор к аккумулятору, но нужно купить специальную кнопку — отключения от питания,чтобы можно было отключить питание регистратора. При прямом подключении прибор будет работать беспрерывно, а значит, аккумулятор быстро разрядится.
Все вышеперечисленные методы скоро перестанут использовать, ведь 90% магнитол в машине снабжены портом USB. Эти разъемы применяют для зарядки гаджетов, телефонов. Стоит дополнить материал и рассказать, как спрятать провода. В продаже имеются специальные коробы, которые устанавливают сверху на обивку салона. Там можно скрыть кабели.
Другой достойный вариант – провести за бардачок. Но для этого его нужно снять. При прокладывании проводов контролируют, чтобы они не соприкасались с подвижными элементами и не нагревались при функционировании с патрубками отопительной системы.
Еще один метод – спрятать провода под ковриком. Также снимается обивка, а кабель тянут в направлении центрального тоннеля.
Самостоятельно смонтировать видерегистратор в автомобиле без использования прикуривателя реально, но это сложно. Данной работой должен заниматься только опытный в этой области человек. Если владелец машины не устанавливал его прежде, рекомендуется вызвать специалиста.
Другие статьи:
Как правильно использовать гнездо прикуривателя чтобы не «сжечь» машину?
При использовании автомобиля многие автовладельцы просто не задумываются о вопросах пожарной безопасности машины. Тогда как возгорание автомобилей по причине проблем с проводкой, вышедшем из строя аккумуляторе и использовании некачественных электроприборов отмечается сплошь и рядом. Как не сжечь машину при использовании разъёма прикуривателя для запитывания различных автомобильных аксессуаров.
Если еще 20-30 лет назад гнездо прикуривателя мы использовали исключительно по прямому назначению, то сегодня этот разъем незаменим при получении электричества из бортовой сети. Однако использование некачественных проводов, переходников и всевозможных штекеров приводит к коротким замыканиям, что может вывести из строя сам прикуриватель, а в крайнем случае поспособствует пожару в автомобиле.
Что рекомендует автопроизводитель?
В руководстве к эксплуатации большинства современных автомобилей вы найдете рекомендации использовать прикуриватель лишь по его прямому назначению. Ни один автопроизводитель не порекомендует использовать бортовую розетки для подключения к сети внешних устройств. Так, например, не следует использовать такой разъём для запитывания навигатора, регистратора, подогревателей и так далее. Такая лишняя нагрузка приводит к скорому выходу из строя бортовой сети, могут появиться короткие замыкания и даже возгорание проводки.
Сегодня в автомагазинах можно найти различные штекеры для запитывания внешних устройств с разъема прикуривателя. Несмотря на все заверения продавцов и производителей подобных аксессуаров, обеспечить их полную безопасность будет невозможно. Такое внешнее вмешательство и использование электричества из сети автомобиля не только небезопасно, но и может повредить аккумулятор и вывести из строя генератор. Автомобили не рассчитаны на такую внешнюю нагрузку, а последствия такого неправильного вмешательства будут печальны.
Отличаем бортовую розетку и гнездо прикуривателя
Часто автовладельцы путают понятия бортовой розетки и гнезда прикуривателя. Действительно, ранее под розеткой в автомобиле было принято понимать исключительно прикуриватель, в который вставлялись различные штекеры, позволяющие получать электричество из бортовой сети. Розетки в таких автомобилях отсутствовали, соответственно нам приходилось использовать лишь имеющиеся разъемы, то есть гнездо прикуривателя.
Сегодня же во многих автомобилях имеются специальные бортовые розетки, которые позволяют полностью безопасно получить из бортовой сети необходимую электроэнергию. Такие бортовые розетки первоначально появились на американских пикапах и джипах, а впоследствии стали использоваться и на большинстве других автомобилей. Из преимуществ использования таких бортовых розеток можно отметить их качество исполнения, стабильность напряжения, отсутствие коротких замыканий.
У отдельных автомобилей имеются даже несколько различных по своему размеру бортовых розеток, что позволяет использовать мобильные гаджеты, ноутбуки, другие бытовые приборы. Нужно лишь убедиться в том, что подключаемые гаджеты и электроприборы работают от 12 вольт из автомобильной электросети. При наличии таких качественных бортовых розеток необходимо будет приобрести оригинальные штекеры, которые отвечают за обеспечение электроэнергией мобильных гаджетов. А вот использовать откровенно некачественные китайские аксессуары не стоит. Всё же при использовании таких переходников появляется риск возгорания и повреждения электросети в автомобиле.
В машине сгорают предохранители
Все автомобили сегодня для предупреждения возгораний и коротких замыканий имеют соответствующий блок предохранителей, которые защищают электроцепь и отдельные узлы от серьезных повреждений. В том случае, если авто у автомобиля часто перегорают предохранители, это должно послужить основанием для автовладельца к его обращению к мастеру за выполнением диагностики. Чаще всего такие проблемы с предохранителями свидетельствуют о неисправности электропроводки и отдельных узлов в автомобиле.
Ни в коем случае не следует экономить на качестве используемых предохранителей. Нужно использовать такую защиту с тем номиналом, которая указана в инструкции к автомобилю, не нужно пытаться заменить недорогие качественные предохранители обычной проволокой, что при наличии коротких замыканий приводит к возгоранию автомобиля и последующему уничтожению транспортного средства.
Правильно используем автомобильные аксессуары
В недавнем прошлом единственным внештатным потребителем электроэнергии в автомобиле являлась магнитола, которая подключалась напрямую в электросеть автомобиля. Однако сегодня автовладельцы используют электрические насосы, различные пылесосы, зарядки для мобильных и планшетов, внешние навигаторы, регистраторы и другие мобильные гаджеты. Все они запитываются через соответствующие переходники, которые вставляются в гнездо прикуривателя. Такая чрезмерная нагрузка приводит к проблемам при эксплуатации транспорта.
Нагрузка на бортовую электросеть при использовании таких устройств может быть чрезвычайно высока. Не редкость ситуации, когда автовладельцы подключают в прикуриватель автомобильные пылесосы мощностью 200 Вт и более. Стоит ли удивляться тому, что при такой неправильной эксплуатации транспорта аккумулятор быстро садится, выходит из строя, появляются проблемы с электропроводкой, которая может дымиться, оплавляется и загорается.
Большинство специалистов по ремонту автомобилей не рекомендуют использовать такие приспособления и автоаксессуары, которые существенно нагружают бортовую электросеть. Куда проще подкачать колёса вручную, воспользоваться стационарным пылесосом, установить на телефон или планшет навигатор и не использовать прикуриватель для получения электроэнергии из автомобильной сети. Так мы сможем предупредить различного рода проблемы с машиной, и будем полностью спокойны за электропроводку нашего транспорта.
Подведем итоги
Сегодня многие автовладельцы используют гнездо прикуривателя не по назначению, а подключают к нему различные внешние потребители электроэнергии из автомобильной сети. К сожалению, такая повышенная нагрузка приводит к различного рода проблемам с электросетью автомобиля. Появляются короткие замыкания, отмечаются проблемы с предохранителями, автомобиль по причине использование таких автоаксессуаров может даже загореться, а автовладельцу потребуется выполнять дорогостоящий ремонт техники.
23.11.2018
Грамотное подключение видеорегистратора — инструкция, лучшие способы, стоимость, сервисы Москвы и Санкт-Петербурга
Время чтения: 5 минут(ы)
Важность наличия в автомобиле устройства, ведущего съемку во время движения, не подлежит сомнению. В случае ДТП или «подреза», с помощью этого девайса можно установить настоящего виновника происшедшего.
Однако не каждый автолюбитель способен правильно выполнить подключение видеорегистратора самостоятельно, а производители не снабжают авто этими устройствами по умолчанию. Как разобраться с монтажом незаменимого прибора и избежать при этом грубых просчетов поможет узнать данная статья.
Фиксация устройства проводится двумя способами:
- посредством присоски: этот способ удобен тем, что регистратор потом можно без проблем снять; «минус» такого метода в постепенном «отваливании» прибора при езде по плохим дорогам; к тому же, в холодное время года посадить регистратор на присоску практически невозможно;
- при помощи липкой ленты: данный метод надежнее предыдущего, но его удобство сомнительно — постоянно снимать девайс в случае необходимости будет затруднительно; этот вариант совершенно не годится, когда автомобиль приходится надолго оставлять на стоянке: ведь записывающее устройство необходимо будет на это время демонтировать.
Лучшие места расположения
Перед тем, как подсоединять записывающий девайс к системе электрической проводки автомобиля, необходимо прикинуть, какое место будет оптимальным для его размещения.
Лучше всего будет, если в поле зрения камеры регистратора попадет вся дорога полностью плюс край тротуара.
Выделим основные точки в машине, куда можно установить видеорегистратор:
- Лобовое стекло. Самое удобное место. Держать девайс сможет одна присоска-кронштейн (при условии, что прибор не весит слишком много). В этом случае предпочтительнее всего прикрепить регистратор возле зеркала заднего вида.
- Торпедо авто (передняя панель). Горизонтальная поверхность подойдет для фиксации более массивных и тяжеловесных изделий. Единственным «минусом» будет ограничение поля видимости капотом авто.
При крепеже видеорегистратора следует учитывать наличие в авто подушек безопасности, встроенных в торпедо.
При возникновении критической ситуации, они сработают и могут выломать гаджет.
Это приведет к травмированию водителя и пассажира, сидящего спереди. Поэтому необходимо позаботиться о том, чтобы устройство находилось вне зоны действия подушек безопасности.
Способы крепления проводов
Мало подключить видеорегистратор к питанию в машине, нужно еще подумать о фиксации проводов. Для этого существует два способа:
- скрытая установка: подразумевает крепление кабелей под панелью приборов, а после этого — под обшивкой; если применяется данный способ, рекомендуется оставлять возле устройства часть свободного кабеля, для удобства поворота прибора в случае надобности;
- установка открытая: после подключения автомобильного видеорегистратора к питанию, провода фиксируются на боковой стойке и потолке с помощью специальных скобок из пластика; такие крепежные элементы на липучках обычно идут в комплекте с гаджетом;Надежность этого способа оставляет желать лучшего, так как липучки имеют тенденцию отваливаться.
Лучший способ — подключение видеорегистратора к прикуривателю
Подсоединить гаджет для видеосъемки к прикуривателю проще простого.
Для этого достаточно подключить в него специальный разъем.
Однако и здесь есть свои нюансы. Дело в том, что в современном авто это гнездо уже оказывается чем-то занятым.
Туда могут быть включены:
- телевизор для автомобиля;
- «зарядка» для телефона;
- FM-трансмиттер;
- навигатор.
Данный способ подключения дает возможность гаджету функционировать только при условии поворота ключа в зажигании. А прибор может понадобиться и в «спокойном» состоянии авто.
Как подключить видеорегистратор в машине без прикуривателя?
Если устройство подсоединяется посредством ЮСБ-соединителя, занятый прикуриватель — не проблема.
При задействовании других методов автолюбитель может воспользоваться обычным штекером.
Подключение к магнитоле
Один из самых простых и популярных способов.
Питание автомагнитолы составляет 5 Вольт.
Совсем не обязательно использовать специальный переходник или адаптер.
Все, что нужно сделать автолюбителю — надежно зафиксировать видеорегистратор и провести его запитку с помощью оранжевого кабеля, ведущего к магнитоле.
Провод находится под торпедо.
Подсоединение к плафону освещения
Данный метод предусматривает выполнение действий по следующей схеме:
- Вооружитесь обычной или крестообразной отверткой. Это понадобится для подготовки подключения видеорегистратора к плафону освещения.
- Демонтируйте плафон. Данное устройство может крепиться различными способами, в зависимости от марки автомобиля.Держать светильник могут обычные защелки, но в отдельных случаях для демонтажа может понадобиться отвертка.
- Определите кабеля, по которым постоянно подается питание от бортсети. Проверить полярность можно с помощью мультиметра.
- После уточнение расположения «плюса» и «минуса», подсоедините видеорегистратор с помощью паяльного инструмента.
- Найдите переходник. Напряжение в бортовой системе машины составляет 12 В, а гаджету для видеосъемки дороги нужно всего 5 В, поэтому подключение напрямую — не лучшая идея. Одним из вариантов решения этой задачи станет приобретение специального адаптера.
- Подсоедините шнуры переходника к участкам пайки, а затем обработайте их с помощью изоленты.
- Протестируйте работу устройства. Если проблем не обнаружится, следует упрятать кабеля в нишу и водрузить на место прибор, отвечающий за освещение салона.
К зажиганию
Этот вариант используется не так широко, ведь прикрепленный таким образом регистратор функционирует только после того, как будет повернут ключ.
Для того, чтобы задействовать замок зажигания в деле подключения гаджета для видеосъемки, следует:
- произвести фиксацию устройства и подключить его с помощью адаптера;
- подсоединить кабеля к системе зажигания;
- определить клемму “+” посредством тестера и подсоединить к ней шнур такой же полярности;
- зафиксировать «минус» к аналогичным контактам автомагнитолы или разводки.
К блоку предохранителей
Метод отличается безопасностью. Для того, чтоб соединить блок предохранителей и видеоустройство, необходимо:
- приобрести стандартный предохранитель для автомобиля;
- с помощью паяльника прикрепить шнур от контакта штекера «+» к одной из ножек, а также соединить пайкой контакт «-» и шнур с кольцом;
- используя винт, закрепить на каркасе передней панели провод с кольцом;
- поместить предохранитель в «вакантное» гнездо блока.
Меры предосторожности
При подключении видеорегистратора желательно обладать хотя бы минимальными знаниями в области пайки и обращения с электричеством. Во избежание несчастных случаев соблюдайте следующие рекомендации:
- перед тем, как работать с проводкой авто, скиньте с батареи клеммы, чтобы не спровоцировать замыкание;
- орудуйте паяльником аккуратно, чтобы не причинить ущерб АКБ;
- помните о необходимости изолирования соединений;
- провода под панелью следует прокладывать бережно, не допуская оголения изоляции и скамкивания; следите за расслабленным состоянием шнура и отсутствием объектов, о которые он может тереться;
- пользуйтесь тестером для безопасной проверки напряжения на проводах.
Внимание! Использование нестандартных методов подключения видеорегистратора человеком без должной подготовки считается потенциально опасным!
Стоимость работы мастеров
Стоимость услуг специалистов по монтажу данного девайса зависит от типа оборудования и количества камер. Ценовой диапазон установки видеорегистратора составляет от 1 500 до 25 000 рублей.
Где заказать установку и подключение видеорегистратора?
Данный сервис доступен по таким адресам:
В москве
- ул. Крылатские Холмы, 14, «Autosecurity», тел.: +7 499 653 88 44;
- ул. Острякова, 3, «Хороший Сокол», тел.: +7 (495) 151-03-83;
- ул. Маршала Прошлякова, 19, «РосТехАвто», тел.: +7 (495) 132-05-84.
В санкт-петербурге
- Хасанская улица, 1, «Ровелс Ладожская», тел.: +7 (812) 416-06-81;
- Выборгское шоссе, 212г, «General Auto Service», тел.: +7 (812) 903-33-29;
- Заставская, 1 к2, «Нева-Сервис», тел.: +7 (904) 645-93-55.
Помните: от правильной установки и подключения видеорегистратора зависит его корректная работа.
При возникновении вопросов, касающихся монтажа гаджета, обращайтесь за помощью к профессионалам.
Вам помогла эта статья? Будем благодарны за оценку:
Как подключить прикуриватель в автомобиле
Прикуриватель – неотъемлемый атрибут любой машины. Нередко возникает необходимость в дополнительном прикуривателе, расположенном в багажнике или на панели, рядом с основным. Через разветвитель вы сможете подключить к одному прикуривателю до 3 различных устройств. Дополнительный прикуриватель подключают напрямую к аккумулятору. Прочитав статью, вы узнаете, как подключить прикуриватель в машине правильно, не навредив своему автомобилю.
Как работает прикуриватель
Автомобильный прикуриватель, это два устройства – нагревательный элемент и разъем (штекер) в удобном корпусе. Он может быть напрямую подключен к аккумулятору, поэтому устройство работает, даже если выключен замок зажигания.
Помимо основного предназначения штекер часто используют в качестве розетки на 12/24 вольта, к которой подключают разветвитель, обеспечивающий питание ноутбука, телефона или других устройств. К нему также подключают разветвитель, благодаря чему можно одновременно заряжать ноутбук, телефон или использовать видеорегистратор.
Разветвитель или блоки питания этих устройств вставляют в штекер, который обеспечивает надежное соединение с контактами розетки прикуривателя.
Что понадобится для врезки прикуривателя
Если вы решили установить дополнительный прикуриватель, то вам потребуются следующие инструменты:
- дрель;
- набор сверл по металлу;
- коронка по металлу, диаметр которой соответствует выбранному прикуривателю;
- круглый и плоский напильники;
- паяльник;
- припой;
- канифоль;
- пассатижи;
- бокорезы;
- набор отверток;
- термоусадочная трубка;
- выключатель;
- предохранитель;
- провод;
- обычный кабельный разветвитель (220 вольт) из хозяйственного магазина
Как вмонтировать прикуриватель
Перед началом работ обязательно отключите минусовую клемму аккумулятора, а также убедитесь, что замок зажигания стоит в положении «выключено».
Не существует единого метода врезки этого устройства, ведь прикуриватели различаются по длине, размеру и форме корпуса, а также способу крепления. Проще всего вставить это устройство в подходящее по размеру штатное отверстие. Если же такого места нет и, вы не смогли подобрать подходящую коронку, разметьте контуры проема, затем по периметру очень густо насверлите отверстий диаметром 2–3 мм. После этого бокорезами осторожно перекусите перемычки между отверстиями, после чего выравнивайте посадочное место напильником. Вставьте прикуриватель, чтобы убедиться, что место подготовлено правильно. Если необходимо, поправьте отверстие.
Не устанавливайте штекер на изогнутых или рифленых поверхностях, потому что не сможете качественно закрепить его. Помните, расстояние от нижней части корпуса прикуривателя до любой кузовной детали должно быть не меньше 2 см.
Подготовив посадочное место, приступайте к выбору провода и предохранителя. Штекер, напрямую подключенный к аккумулятору, без проблем способен передавать ток до 30–40 ампер, поэтому ограничение мощности нагрузки зависит от толщины провода и номинала предохранителя. Каждый миллиметр сечения многожильного провода способен передать на штекер 5–10 ампер тока.
Если вы собираетесь подключать нагрузку мощностью 300–500 ватт, то сила тока составит 25–40 ампер. Сечение провода под такой ток составит 4–6 мм. Попытка пропустить такой ток через провод меньшего сечения приведет к его оплавлению или возгоранию. Продумайте путь для провода, который напрямую соединит штекер и аккумулятор.
Желательно прокладывать его через технологические отверстия кузова рядом со штатной проводкой.
Снимите обивку пола салона и багажника, затем внимательно осмотрите выбранный путь для провода. Если получится провести его через готовые отверстия, то сделайте это. Если нет, сверлите новые. В ближайшем автомагазине купите резиновые уплотнители, которые защитят провода от острых краев отверстия в кузове. Просверлите отверстия, ориентируясь на диаметр уплотнителя и, обработайте их края сначала напильником, затем антикоррозионными материалами. Прикрепите провод к кузову или шине штатной проводки с помощью пластиковых хомутов.








