Расчет ограничивающего ток резистора для светодиода, формулы и калькулятор
Часто при изготовлении разнообразных устройств возникает необходимость использовать светодиоды и светодиодные индикаторы. Будем полагать что вы знаете что такое светодиод и какие они бывают.
Подключение светодиода к источнику питания выполняется, как правило, через ограничивающий ток резистор (гасящий резистор). Ниже описаны принципы и формулы для расчета гасящего резистора, а также небольшой калькулятор для быстрого подсчета.
Расчет гасящего резистора для светодиода
Первым делом разберемся как выполнить расчет сопротивления гасящего резистора, от чего оно зависит и какой мощности должен быть резистор для питания светодиода от источника питания.
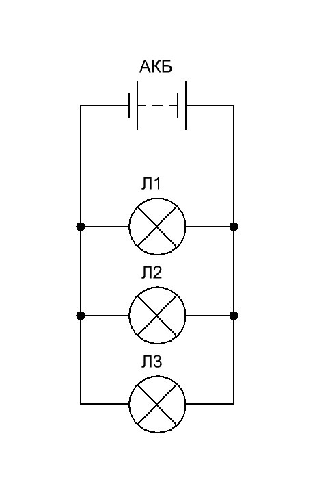
Рис. 1. Схема подключения светодиода к источнику питания через резистор.
Как видим из схемы, ток (I) через резистор и светодиод протекает один и от же. Напряжение на резисторе равно разнице напряжений питания и напряжения на светодиоде (VS-VL). Здесь нам нужно рассчитать сопротивление резистора (R), при котором через цепь будет протекать напряжение I, а на светодиоде будет напряжение VL.
Допустим что мы будем питать светодиод от батареи напряжением 5В, как правило такое питающее напряжение используется при питании микроконтроллерных схем и другой цифровой техники.
Вычислим значение напряжения на гасящем резисторе, для этого нам нужно знать падение напряжения на светодиоде, это можно выяснить по справочнику для конкретного светодиода.
Примерные значения падения напряжения для светодиодов (АЛ307 и другие маломощные в подобном корпусе):
- красный — 1,8. 2В;
- зеленый и желтый — 2. 2,4В;
- белые и синие — 3. 3,5В.
Допустим что мы будем использовать синий светодиод , падение напряжения на нем — 3В.
Производим расчет напряжения на гасящем резисторе:
Uгрез = Uпит — Uсвет = 5В — 3В = 2В.
Для расчета сопротивления гасящего резистора нам нужно знать ток через светодиод. Номинальный ток конкретного типа светодиода можно узнать по справочнику. У большинства маломощных светодиодов (наподобии АЛ307) номинальный ток находится в пределах 10-25мА.
Допустим что для нашего светодиода номинальный ток для его достаточно яркого свечения составляет 20мА (0,02А). Получается что на резисторе будет гаситься напряжение 2В и проходить ток 20мА. Выполним расчет по формуле закона Ома:
R = U / I = 2В / 0,02А = 100 Ом.
В большинстве случаев подойдет маломощный резистор с мощностью 0,125-0,25Вт (МЛТ-0,125 и МЛТ-0,25). Если же ток и напряжение падения на резисторе будет очень отличаться то не помешает произвести расчет мощности резистора:
P = U * I = 2В * 0,02А = 0,04 Вт.
Таким образом, 0,04 Вт явно меньше номинальной мощности даже для самого маломощного резистора МЛТ-0,125 (0,125 Вт).
Произведем расчет для красного светодиода (напряжение 2В, ток 15мА).
Uгрез = Uпит — Uсвет = 5В — 2В = 3В.
R = U / I = 3В / 0,015А = 200 Ом.
P = U * I = 3В * 0,015А = 0,045 Вт.
Простой калькулятор для расчета гасящего резистора
Теперь вы знаете как по формулам рассчитать гасящий резистор для питания светодиода. Для облегчения расчетов написан несложный онлайн-калькулятор:
Форму прислал Михаил Иванов.
Заключение
При подключении светодиодов не нужно забывать что они имеют полярность. Для определения полярности светодиода можно использовать мультиметр в режиме прозвонки или же омметр.
Использование гасящих резисторов оправдано для питания маломощных светодиодов, при питании мощных светодиодов нужно использовать специальные LED-драйверы и стабилизаторы.
Маленький ликбез любителям пересветки, часть 2
О питании светодиодов в интернете информации масса, но, к сожалению, многие авторы собственных конструкций часто допускают ошибки, главная из которых допускается при включении в общую цепь нескольких светодиодов одновременно. Для начала разберем включение одного светодиода для работы от напряжения 12В, но перед этим определимся в терминологии.
Как я успел заметить, народ часто путает последовательное и параллельное соединение каких-либо элементов электрической цепи. Рассмотрим, ху из ху.
1. Последовательное соединение
Последовательно — это цепочкой, друг за другом, когда один вывод предыдущей детали соединен только с одним выводом следующей. Наглядный пример — хоровод:)

Главные особенности такого соединения:
— в случае с лампочками или светодиодами, они должны быть одинаковыми, рассчитанными на одно и то же напряжение и ток, иначе одни из них гореть не будут, а другие станут гореть слишком ярко, вплоть до перегорания; — сумма напряжений, на которые рассчитана каждая лампочка, должна быть равна (в идеале) или примерно равна (на практике) напряжению батареи. Или же, с другой стороны, на каждой лампочке будет напряжение, равное напряжению батареи, деленному на число лампочек. Или же с третьей стороны: сумма напряжений на всех элементах последовательной цепи равна напряжению питания; — в любом участке цепи будет протекать один и тот же ток; — при перегорании любой лампочки погаснут все сразу, потому как цепь разорвется.
2. Параллельное соединение — все элементы цепи соединены так, что из двух выводов одни соединяются в один проводник, другие в другой. Наглядный пример — девушка и молодой человек держат друг друга за руки, стоя лицом к лицу:))) Ну, или дети, играющие в “паровозик”.

Главные особенности: — лампочки могут быть разной мощности, на разные токи, но на одинаковое напряжение, равное (в идеале) или примерно равное (на практике) напряжению батареи; — на любом элементе будет одно и то же напряжение; — ток, потребляемый от батареи равен сумме токов всех лампочек; — при перегорании любой лампочки остальные продолжат гореть.
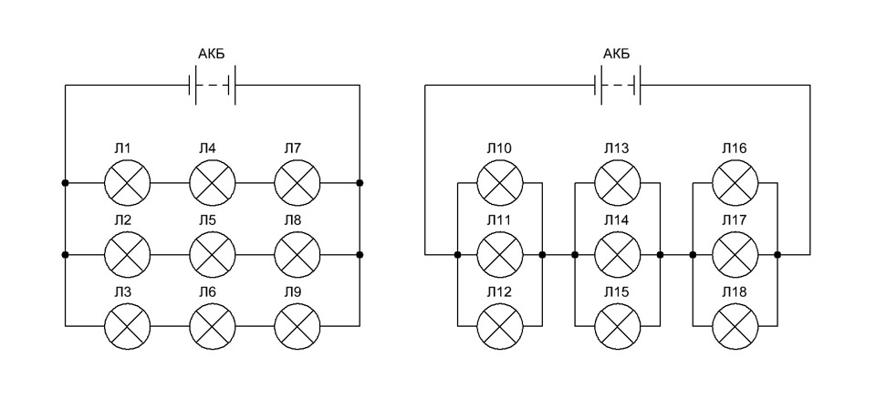
Есть еще и третий вариант соединения — соединение смешанное, когда несколько последовательных цепей соединены параллельно и наоборот.

В таком соединении каждый тип цепи имеет те же главные особенности, что и по отдельности. Кстати, если присмотреться, то цепь, показанная на рисунке 1, тоже является примером смешанного соединения: последовательная цепь лампочек подключена параллельно батарее:)))
Переходим к главному — к светодиодам. Лампочки в подсветке, например, приборной панели VDO 2110, соединены параллельно, каждая лампа рассчитана на напряжение 12В (для лампочки ее рабочее напряжение — определяющий параметр, мощность и число их зависит только от мощности источника питания) и может подключаться к питанию напрямую. Со светодиодом все иначе. При работе светодиода в расчетном, штатном режиме напряжение на нем обычно равно 3…3,3В, но определяющим параметром для него является не напряжение, а ток. Свойства полупроводника таково, что при плавном подъеме напряжения на нем, скажем, с помощью реостата регулировки подсветки, оно начинает расти от нуля до определенной величины (для светодиода это упомянутые 3…3,3В), после чего напряжение остается практически неизменным, дальше растет только ток. И когда он превысит некоторую величину, светодиод перегорает. Если подать на светодиод напряжение прямо с аккумулятора, оно-таки будет составлять 12 вольт, но срок жизни диода будет определяться секундами, если не долями секунд.
Чтобы светодиод стал работать от 12В, необходимо ограничить его ток, чтобы он не превышал максимально допустимого для светодиода значения. Это можно сделать несколькими способами: с помощью токоограничивающего резистора, стабилизатора тока, широтно-импульсной модуляции. Так как все это я пишу в расчете на начинающих, два последних способа мы опустим — тем, кто “в танке”, это все уже не нужно — и рассмотрим метод расчета токоограничивающего резистора.
Для того, чтобы уменьшить, ограничить ток в цепи светодиода, нам нужно увеличить сопротивление этой цепи. Вспоминаем закон господина Ома:
где: I — ток, U — напряжение, R — сопротивление
Напряжение у нас всегда одно — 12В. Кто-то возразит — не 12, а 14,4В. Скажем, так: напряжение у нас всегда равно напряжению бортовой сети автомобиля, но чтобы уберечь светодиоды от выхода из строя, все расчеты будем делать для максимального напряжения — 14,4В. Так вот, напряжение у нас всегда одно и то же — 14,4В. Номинальный ток современных светодиодов обычно составляет 10…20 мА. Это (как, впрочем, и рабочее прямое падение напряжения на светодиоде — 3…3,3В величина, усредненная для основной массы белых-синих-красных-зеленых-RGB светодиодов в SMD исполнении) лучше уточнить по даташиту, если известен тип светодиода. Если же тип неизвестен, лучше принять значение 10 мА — светить будет послабее, зато точно не сгорит от перегрузки по току.
Чтобы увеличить сопротивление цепи светодиода, последовательно с ним включается токоограничивающий резистор:
Для определения его номинала узнаем, сколько вольт должно упасть на резисторе. Вспоминаем правило последовательной цепи: сумма напряжений на всех элементах равна напряжению питания. Питание у нас 14,4В. Номинальное напряжение на светодиоде — 3,3В.
14,4В — 3,3В = 11,1В
Именно такое напряжение должно быть на резисторе — 11,1В. Ток, протекающий в цепи (в том числе, и через светодиод) равен 10…20 мА. Например, для SMD-светодиода типоразмера 3528 номинальный ток равен обычно 20 мА, но для пущей сохранности возьмем немного меньше — 15мА. Выведем сопротивление из формулы закона Ома:
Напряжение на резисторе мы посчитали — 11,1В, ток через светодиод, а следовательно, и через резистор, мы выбрали — 15мА. Сопротивление резистора R = 11,1В / 15мА = 0,74 кОм. Вообще, если делать все по всем правилам, ток должен быть задан в амперах, при этом значение сопротивления получится в омах: 11,1В / 0,015А = 740 Ом. Что, по сути, то же самое:) Ближайший стандартный номинал к рассчитанной величине — 750 Ом. Расчет закончен.
Полезно бывает посчитать мощность резистора для уверенности, что он выдержит. Для этого нужно ток через резистор (на этот раз удобнее уже в амперах:) ) умножить на напряжение на нем: 11,1В * 0,015А = 0,17 Вт (округленно). Теперь расчет совсем закончен — чтобы запитать один светодиод, нам нужен резистор мощностью 0,25 Вт (ближайшее вверх стандартное значение) сопротивлением 750 Ом.
Для удобства сведу все в одну кучу, пусть шпаргалка будет:

Вместо резистора в цепь можно включить стабилизатор тока, простых схем сейчас много в сети. Может быть, когда-нибудь руки дойдут до их описания.
Чаще всего при пересветке всяческих панелей (приборных, печек и т.п.) светодиоды объединяют в группы (обычно по три, реже — по два), при этом экономятся резисторы. И вот тут самое главное правило: светодиоды в группе необходимо соединять только последовательно!

Почему? Все просто. В последовательной цепи через все элементы течет один и тот же ток, который мы можем точно определить и задать с помощью резистора. В параллельной же мы можем задать только общий ток всей цепи, он будет равен сумме токов через светодиоды. Идеального на свете ничего нет, светодиоды тоже имеют разброс параметров: одни потребляют меньший ток, другие больший и может получиться так, что при токе через три “неправильных” светодиода 45 мА (по 15 мА на каждого — вроде справедливо, правда?), но сильном разбросе их параметров на два из диодов может прийтись по 10 мА, а вот третьему достанутся оставшиеся 25, он обидится один раз — и все. А в сумме получатся те же 45 мА. Так что вот оно, самое железное правило: несколько светодиодов с одним резистором — только последовательно. А вот эти группы между собой соединяем уже параллельно, потому как каждая из них будет рассчитана на 14,4В.
Расчет для группы из двух-трех диодов ничем не отличается от приведенного, только при расчете напряжения на резисторе из напряжения питания нужно вычитать сумму напряжений всех светодиодов в группе (6,6В — для двух, 9,9 — для трех). Сопротивление и мощность вычисляются одинаково.
На этом, собственно, все:)
Ну и напоследок, обещанная таблица цветовой кодировки резисторов и онлайн-сервис для ее расшифровки.
Спасибо за внимание! Всем правильных схем и хорошего настроения:) До новых встреч в эфире!
Управление светодиодом с резистором и без резистора
В статье сделана попытка показать, почему необходимо использовать токоограничивающий резистор для светодиода. И как можно управлять светодиодом без резистора. Когда вы читаете о светодиодах, вы можете заметить, что все говорят о необходимости использования токоограничивающего резистора. Но обычно не говорится почему. Светодиод с токоограничивающим резистором Если посмотреть документацию на светодиод, можно заметить, что вольт-амперная характеристика светодиода нелинейна. Поскольку светодиод является полупроводниковым элементом, его характеристика отличается от характеристики резистора.
Если к резистору приложить определенное напряжение, ток через него можно вычислить по формуле: I = R/V Пример: I = 100 Ом / 5 В = 20 мА Очевидно, что эта формула неприменима к светодиодам, потому что они являются линейным сопротивлением. Если посмотреть на приведенный выше график, то становится ясным, что повышение напряжения от 0 до 1,6 В не приводит к заметному увеличению тока. Если приложить еще немного больше напряжения, ток увеличится, и светодиод начнет светиться. Мы достигли открывающего потенциала для pn-перехода. Открывающий потенциал для типичного красного светодиода находится в диапазоне от 1,7 до 2,2 В. Небольшие изменения напряжения приводят к сильным изменениям прямого тока.
В документации обычно указывается абсолютное максимальное значение прямого тока, например, 25 мА. Если приложить напряжение, приводящее к большему току, светодиод выйдет из строя. Так что жизненно важно оставаться в рамках предельно допустимых параметров. Если подсоединить светодиод напрямую к 5 В источнику питания, он тут же сгорит. Сильный ток разрушит pn-переход. С этого момента появляется ограничивающий резистор. Предположим, что у нас имеется красный светодиод с максимальным прямым током 25 мА и открывающим потенциалом 2,1 В. Если мы хотим использовать 5 В источник питания, чтобы на нем упало оставшиеся 2,9 В. Для резистора получим: R = V / I = (5 В — 2.1 В) / 25 мА = 116 Ом. Для безопасности светодиода используйте резистор номиналом 120 Ом или лучше 150 Ом.
Так мы не доведем светодиод до предельно допустимого тока. R = V / I = (5 В — 2 В) / 20 мА = 150 Ом. Для сохранения резистора обратим внимание на рассеиваемую мощность. Она вычисляется следующим образом: P = V * I = 3 В * 20 мА = 60 мВт. Так что проще всего взять резистор 150 Ом, 0,25 Вт. Итак, это все об обычном использовании светодиода с ограничивающим резистором. Светодиод без токоограничивающего резистора Во-первых, почему мы хотим избавиться от резистора? Есть две причины. Для начала, он рассеивает энергию. Превращает электричество в тепло. А мы хотим получить свет от светодиода. Нехорошо. Еще, вы можете уменьшить количество компонентов. Устройство будет экономичнее и на печатной плате останется больше места. Есть два способа обойтись без резистора. Один из них — понизить входное напряжение.
Если все ваше устройство может работать при напряжении, равном открывающему напряжению светодиода, это замечательно. Резистор не нужен. Другим способом является использование широтно-импульсной модуляции (ШИМ). Это означает, что мы включаем и выключаем светодиод. Если это происходит достаточно быстро, человеческий глаз не замечает разницы. Он интегрирует яркость за определенный промежуток времени, как говорят. Часто в документации указывается пиковый прямой ток. Например: IF(peak) = 160 mA (пиковый прямой ток = 160 мА) Condition: Pulse Width <= 1 msec and Duty <= 1/10 (Условие: ширина импульса <= 1 мс, заполнение 1/10) Это означает, что можно включать светодиод с частотой 1 кГц, и он может гореть 1 мс и находиться в темном состоянии 9 мс. В большинстве случаев для пикового прямого тока не указаны напряжения, поэтому мы заранее не знаем, какое должно быть напряжения для тока 160 мА.</p>
Смотря на график, можно оценить его уровень около 3 — 3,2 В, но автор не проверял этого. Оба метода были использованы автором для 64-пиксельной светодиодной матрицы, где светодиоды были подключены к микроконтроллеру без токоограничивающих резисторов.
Входное напряжение было 3 В, если использовать 2 батареи типа АА или около 2,4 В с использованием аккумуляторов. Это позволяет получить открывающий потенциал светодиодов. Матрица позволяет адресацию одной строки целиком в данный момент времени. Вы можете выбирать ячейки только на выбранной строке, устанавливая биты столбцов. В следующий момент времени первая строка отключается, подключается вторая, и т.д. Так вы переключаете в цикле все строки. Это делается так быстро, что видеть мигание невозможно. Каждая строка обновляется с частотой примерно 2 кГц и заполнением импульса 1/8 (потому что строк 8).
Если для управления светодиодом или светодиодной матрицей вы используете микроконтроллер, нужно обратить внимание на предельно допустимый ток для микроконтроллера. Каждый I/O вывод может быть источником или поглотителем определенного тока.
В документации к ATtiny2313 на странице 181 написано: Absolute Maximum Ratings (абсолютные максимальные параметры):
* DC Current per I/O pin: 40.0 mA (постоянный ток — 40 мА на вывод) И на странице 182 есть замечание: 4. Although each I/O port can sink more than the test conditions (10 mA at VCC = 5V, 5 mA at VCC = 3V) under steady state conditions (non-transient), the following must be observed: 1] The sum of all IOL, for all ports, should not exceed 60 mA. If IOL exceeds the test condition, VOL may exceed the related specification. Pins are not guaranteed to sink current greater than the listed test condition.
(4. не смотря на то, что I/O ток при тестировании составляет 10 мА при питании 5 В и 5 мА при питании 3 В, в отсутствие переходных процессов должно наблюдаться: 1] Сумма всех втекающих в процессор токов для всех портов не должна превышать 60 мА. Если втекающий ток превышает тестовые условия, то напряжение логического нуля может превышать номинальные значения. Не гарантируется, что выводы будут проводить ток, больший чем указано в тестовых условиях.)
Как можно понять, если вы пытаетесь получить ток более 10 мА, высокий или низкий уровень выходного напряжения может выйти за рамки гарантированные производителем. Взгляд на следующие два графика из документации может прояснить эту вещь.
Этот график показывает как выходное напряжение вывода просаживается при увеличении тока для питания 2,7 В. 2,7 В это не те 3 В, которые могут обеспечить 2 батареи АА типа, но на данный момент это довольно близко. Как видно, если потребляется больше тока, выходное напряжение падает. При 5 мА мы имеем напряжение 2,5 В, а при 15 мА напряжение падает до 2,1 В.
Этот график показывает как выходное напряжение вывода зависит от втекающего в вывод тока. В этом случае при потреблении большего тока выходное напряжение увеличивается. При 5 мА напряжение равно 0,15 В, и при 15 мА оно возрастает до 0,5 В. Чтобы проверить, можно ли в данной схеме использовать ATtiny2313, нужно провести некоторые вычисления. Для матрицы у нас нет документации с красивыми графиками, но есть некоторые цифры. Forward Voltage: 1.80 — 2.20 V (Прямое напряжение: 1,8 — 2,2 В) Maximum Rating: Forward Current: 25 mA (Предельный ток: 25 мА) Предположим, что светодиод работает при 1,8 В и 5 мА.
Это выглядит разумным, если посмотреть на другую документацию. Теперь, если проанализировать показанные выше 2 графика при токе 5 мА, получим 2,5 В для вывода — источника и 0,15 В для вывода — стока. 2.5 В — 0.15 В = 2.35 В Таким образом, мы получаем 2,35 В для светодиода. Это больше, чем мы предполагали (1,8 В). Большее напряжение для светодиода означает больший ток. Теперь посчитаем для 10 мА. Анализируя снова, получим 2,3 В для вывода — источника и 0,3 В для вывода — стока. 2.3 В — 0.3 В = 2.0 В Как видно, если напряжение на светодиоде повышается, ток также увеличивается. Увеличение тока приводит к уменьшению/увеличению выходного напряжения на выводе — источнике/стоке. А это означает уменьшение тока.
Т.е. на каком-то уровне ток стабилизируется. Похоже, 2,0 В при 10 мА подходит для светодиода и микроконтроллера. Это справедливо для светодиода на двух выводах. А что, если мы хотим управлять всей линейкой из 8 светодиодов? В этом случае мы имеем 8 выводов — источников, 8 светодиодов и один вывод — сток. Из вышеприведенного примера следует, что 10 мА на каждый светодиод соответствует 80 мА (!). Это много. На графике это даже не показано. Предположим, что в сумме мы имеем только 25 мА, тогда получается 3,125 мА на светодиод.
Это дает 2,6 В на каждом источнике и 1,0 В на стоке. 2.6 В — 1.0 В = 1.6 В Это означает, что для каждого светодиода остается 1,6 В, что немного меньше открывающего потенциала. Светодиоды будут затемнены. Опять же, если светодиоды потребляют больше тока, микроконтроллер даст им меньшее выходное напряжение. В таком случае яркость строк будет зависеть от числа подключенных ячеек: строки с меньшим количеством горящих диодов будут ярче. Все эти подсчеты и изучение соответствующей документации помогут понять в каких случаях нужно, а в каких не нужно использовать токоограничивающий резистор.
Зачем подключать резистор к светодиоду, выбор токов

Зачем использовать резистор при подключении светодиода
При подключении светодиода к источнику питания без использования резистора могут возникнуть проблемы из-за того, что светодиод имеет нелинейную вольт-амперную характеристику. Это означает, что светодиод не подчиняется закону Ома, который утверждает, что ток в цепи прямо пропорционален напряжению и обратно пропорционален сопротивлению.
При прямом подключении светодиода к источнику питания, ток в цепи будет сильно возрастать с ростом напряжения, что может привести к перегреву и выходу из строя светодиода. Резистор же ограничивает ток, регулируя напряжение на светодиоде и защищая его от перегрева и выхода из строя.
Напряжение светодиода (V) является критическим параметром при расчете резистора, так как это напряжение определяет, какой ток будет течь через светодиод при заданном значении сопротивления резистора.
Подбирая правильное значение резистора, можно добиться оптимальной яркости светодиода и его стабильной работы. Поэтому использование резистора является необходимым условием при подключении светодиода к источнику питания.
Принципов работы светодиода
Светодиод (LED) — это полупроводниковый элемент, который преобразует электрическую энергию в свет. Он состоит из полупроводникового материала (обычно кристалла кремния или германия), который содержит примеси других элементов, что создает p- и n-области с разными типами проводимости.
Когда на светодиод подается электрический ток в правильном направлении, то электроны в n-области идут на стык с p-областью, где они рекомбинируют с дырками, выделяя энергию в виде фотонов света. Фотоны движутся в определенном направлении, формируя луч света. Цвет свечения светодиода зависит от материала и примесей, используемых при его изготовлении.
Светодиоды имеют ряд преимуществ перед другими источниками света, так как они потребляют меньше энергии, имеют более длительный срок службы и могут быстро включаться и выключаться. Они также могут быть использованы в различных приложениях, таких как освещение, дисплеи и световые индикаторы.
Однако, при подключении светодиода необходимо учитывать его нелинейную вольт-амперную характеристику, а также правильно подобрать резистор для ограничения тока и защиты светодиода от перегрева и выхода из строя.
Почему светодиод нуждается в ограничении тока
Светодиоды имеют нелинейную вольт-амперную характеристику, которая означает, что ток в цепи не увеличивается пропорционально напряжению. Например, при небольшом изменении напряжения на светодиоде, ток в цепи может значительно увеличиться, что приводит к перегреву и выходу светодиода из строя.
Поэтому светодиоды нуждаются в ограничении тока, чтобы защитить их от перегрева и выхода из строя. Резистор, подключенный в серии с светодиодом, может использоваться для ограничения тока, так как он создает сопротивление в цепи, которое регулирует ток и напряжение на светодиоде.
Подбор правильного значения резистора очень важен для правильной работы светодиода. Слишком большой резистор может привести к тому, что светодиод будет слишком тусклым, а слишком маленький резистор может привести к перегреву и выходу светодиода из строя. Поэтому необходимо правильно рассчитать значение резистора, чтобы обеспечить оптимальную яркость светодиода и его безопасную работу.
Как выбрать значение тока для светодиода
Значение тока для светодиода должно быть выбрано в соответствии с его максимальной рекомендуемой силой тока (имеется в виду максимальное значение тока, при котором светодиод может работать безопасно и долговечно). Эта информация обычно указана в даташите на светодиод, который можно найти на сайте производителя или у продавца.
Обычно для большинства светодиодов рекомендуемый ток составляет от 10 до 30 мА. Однако, если вы хотите использовать светодиод с меньшей яркостью или более высокой яркостью, то рекомендуемый ток может быть различным. Например, для светодиодов с высокой яркостью рекомендуемый ток может быть более высоким.
После того, как вы узнали максимально рекомендуемый ток для своего светодиода, вы можете рассчитать значение резистора, необходимого для ограничения тока. Расчет резистора будет зависеть от напряжения питания цепи и напряжения на светодиоде. Обычно используется формула:
R = (V питания — V светодиода) / I,
где R — значение резистора в омах, Vпитания — напряжение питания цепи в вольтах, V светодиода — напряжение на светодиоде в вольтах (обычно указано в даташите на светодиод), I — значение тока в амперах (в данном случае максимально рекомендуемый ток).
После того, как вы рассчитали значение резистора, выберите ближайшее стандартное значение резистора. Если вы не можете найти точное значение резистора, выберите значение ближайшее к рассчитанному, но не меньше него, так как меньший резистор может привести к перегреву и выходу светодиода из строя.
Рекомендованные токи
Рекомендованные токи для светодиодов могут варьироваться в зависимости от их типа, размера, яркости и других характеристик. Во многих случаях производители светодиодов указывают рекомендуемые значения тока в даташите на свои продукты.
Вот несколько типов светодиодов и их обычные рекомендуемые значения тока:
- Стандартные светодиоды: рекомендуемый ток от 10 до 20 мА.
- Светодиоды с высокой яркостью (High Brightness LED): рекомендуемый ток от 20 до 50 мА.
- Светодиоды мощности: рекомендуемый ток от 100 до 700 мА.
- RGB-светодиоды (светодиоды, способные создавать различные цвета): рекомендуемый ток зависит от цвета, но обычно составляет от 10 до 20 мА для каждого цвета.
Для уменьшения мощности резистора можно использовать несколько светодиодов, подключенных последовательно. В этом случае необходимо учитывать суммарное напряжение светодиодов и применять соответствующее значение сопротивления резистора.
Следует отметить, что увеличение тока, протекающего через светодиод, увеличивает яркость, но также может повлечь за собой повышенное выделение тепла и сократить срок службы светодиода. Поэтому необходимо следовать рекомендациям производителя и не превышать максимально допустимый ток, указанный в даташите на светодиод.
Также следует помнить, что яркость светодиода может варьироваться в зависимости от его цвета, волны длины и других факторов. Для достижения желаемой яркости светодиода можно изменить значение тока или использовать более яркий светодиод.
При использовании светодиодов разных цветов необходимо учитывать различия в их параметрах. Например, красные светодиоды имеют меньшее напряжение, чем зеленые или синие светодиоды, что может потребовать использования более низкого значения сопротивления резистора.
Примера выбора тока
Рассмотрим конкретный пример выбора тока для светодиода. Допустим, у нас есть светодиод с характеристиками, указанными в таблице ниже:
| Характеристика | Значение |
|---|---|
| Напряжение прямого смещения (Vf) | 2,1 В |
| Максимальный ток (Imax) | 30 мА |
| Яркость (l) | 1000 мкД |
Первым шагом необходимо определить рекомендуемый ток для данного светодиода. Для этого мы можем обратиться к даташиту на данный светодиод или использовать общие рекомендации, указанные выше.
Для данного примера, допустим, мы выбрали рекомендованный ток в 20 мА. Теперь мы можем рассчитать необходимое сопротивление, чтобы ограничить ток до 20 мА при подключении светодиода к источнику питания с напряжением 5 В.
Сопротивление можно рассчитать по формуле:
- Vsupply — напряжение источника питания
- Vf — напряжение прямого смещения светодиода
- I — ток, который мы хотим пропустить через светодиод
R = (5 В — 2,1 В) / 0,02 А = 145 Ом
Таким образом, мы можем использовать резистор с сопротивлением 145 Ом, чтобы ограничить ток до 20 мА при подключении данного светодиода к источнику питания с напряжением 5 В.
Если мы захотим увеличить яркость светодиода, мы можем увеличить ток. Но важно помнить, что увеличение тока также может повлечь за собой увеличение выделения тепла и сократить срок службы светодиода, поэтому необходимо следовать рекомендациям производителя и не превышать максимально допустимый ток, указанный в даташите на светодиод.
Как выбрать значение резистора для светодиода
Для выбора значения резистора для светодиода, необходимо знать напряжение прямого смещения светодиода (Vf), максимальный ток, который он может принимать (Imax), а также напряжение источника питания (Vsupply).
Одним из самых простых способов выбора значения резистора для светодиода является использование формулы Ома:
- R — сопротивление резистора в Омах
- Vf — напряжение прямого смещения светодиода в вольтах
- I — ток, который мы хотим пропустить через светодиод в амперах
- Vsupply — напряжение источника питания в вольтах
Таким образом, мы можем выбрать желаемый ток, который хотим пропустить через светодиод, затем рассчитать необходимое сопротивление резистора. Очень важно выбирать резистор с ближайшим к полученному значением сопротивления в доступном диапазоне, так как это позволяет обеспечить стабильность тока через светодиод.
Например, если у нас есть светодиод с напряжением прямого смещения 2 В, максимальным током 20 мА, а источник питания имеет напряжение 5 В, то мы можем выбрать ток 10 мА и рассчитать значение резистора следующим образом:
R = (5 В — 2 В) / 0.01 А = 300 Ом
В данном примере, мы можем использовать резистор сопротивлением 300 Ом, чтобы ограничить ток через светодиод до 10 мА. Если резистор с таким значением не доступен, то следует выбрать доступное значение сопротивления, ближайшее к рассчитанному.
Формулы расчета резистора
Для расчета значения резистора, необходимого для ограничения тока через светодиод, можно использовать несколько формул.
- Формула Ома:
Наиболее простой и распространенный способ расчета резистора — использование формулы Ома:
- R — сопротивление резистора в Омах
- Vf — напряжение прямого смещения светодиода в вольтах
- I — ток, который мы хотим пропустить через светодиод в амперах
- Vsupply — напряжение источника питания в вольтах
- Формула для расчета сопротивления на основе мощности резистора:
- P — мощность резистора в ваттах
- I — ток, который мы хотим пропустить через светодиод в амперах
- R — сопротивление резистора в Омах
Данная формула позволяет рассчитать необходимую мощность резистора при заданных значениях тока и сопротивления. Обычно используются резисторы мощностью от 1/8 до 1 Вт.
При расчете мощности резистора (P) необходимо учитывать тепловые потери, которые могут возникнуть в резисторе при протекании тока через него. Для этого необходимо выбирать резистор с запасом мощности, чтобы избежать его перегрева.
- Формула для расчета значения сопротивления на основе коэффициента передачи напряжения (Voltage Divider):
- R — сопротивление резистора в Омах
- Vf — напряжение прямого смещения светодиода в вольтах
- I — ток, который мы хотим пропустить через светодиод в амперах
- Vsupply — напряжение источника питания в вольтах
- K — коэффициент передачи напряжения, который зависит от отношения сопротивления резистора к общему сопротивлению цепи
Данная формула используется в случае, когда нужно расчитать значение резистора в схеме делителя напряжения для установления заданного напряжения на выводах цепи.
Выбор конкретной формулы для расчета резистора зависит от требований к точности расчета, наличия необходимой информации о параметрах светодиода и источника питания, а также доступности конкретного значения сопротивления.
- Формула для расчета резистора на основе токового коэффициента передачи (Current Limiting Resistor):
- R — сопротивление резистора в Омах
- Vf — напряжение прямого смещения светодиода в вольтах
- I — максимальный ток, который может протекать через светодиод в амперах
Данная формула позволяет рассчитать минимальное значение резистора, необходимого для ограничения тока через светодиод до заданного уровня. Однако при использовании данной формулы необходимо учитывать, что это значение сопротивления может не давать нужного тока во всех случаях, особенно при значительных колебаниях напряжения в источнике питания.
- Использование онлайн калькуляторов:
В сети Интернет существует множество онлайн калькуляторов для расчета резисторов для светодиодов, которые позволяют быстро и удобно рассчитать значения сопротивлений при заданных параметрах светодиода и источника питания.
При выборе конкретного метода расчета необходимо учитывать требования к точности расчета, наличие информации о параметрах светодиода и источника питания, а также уровень практического опыта в расчете электрических схем.
Примеры расчета резистора
Пример 1
Допустим, у нас есть светодиод с напряжением прямого смещения 2.2 В и максимальным током 20 мА. Источник питания имеет напряжение 5 В. Какое значение сопротивления резистора необходимо использовать?
Используем формулу Ohm’s Law, чтобы определить значение сопротивления резистора:
R = (5 V — 2.2 V) / 0.02 A
Следовательно, мы должны использовать резистор сопротивлением 140 Ом, чтобы ограничить ток через светодиод до 20 мА.
Пример 2
Допустим, у нас есть светодиод с напряжением прямого смещения 3.3 В и максимальным током 30 мА. Источник питания имеет напряжение 12 В. Какое значение сопротивления резистора необходимо использовать?
Можно воспользоваться онлайн калькулятором для расчета резистора.
Введем следующие параметры:
- Напряжение источника питания: 12 В
- Напряжение прямого смещения светодиода: 3.3 В
- Максимальный ток светодиода: 30 мА
Результат расчета: значение сопротивления резистора должно быть 290 Ом.
Пример 3
Допустим, у нас есть светодиод с напряжением прямого смещения 1.8 В и максимальным током 10 мА. Источник питания имеет напряжение 3 В. Какое значение сопротивления резистора необходимо использовать?
Используем формулу для расчета резистора на основе токового коэффициента передачи:
Следовательно, мы должны использовать резистор сопротивлением 180 Ом, чтобы ограничить ток через светодиод до 10 мА.
Как подключить светодиод с помощью резистора
Правильная схема подключения светодиода с помощью резистора представлена на рисунке ниже:
Vcc — это положительный контакт источника питания, а GND — отрицательный контакт. Резистор, подключенный последовательно с Анод светодиода. Анод — это полюс светодиода с более длинной ножкой или с плюсовой меткой.
Резистор в этой схеме ограничивает ток, проходящий через светодиод, чтобы защитить его от перегрева и повреждения. Значение сопротивления резистора можно рассчитать, используя формулу, приведенную ранее.
При подключении светодиода с помощью резистора важно убедиться, что светодиод подключен в правильном направлении, иначе он не будет работать. Также следует убедиться, что выбранное значение резистора соответствует параметрам светодиода и источника питания, чтобы избежать повреждения или сбоев в работе устройства.
Схема подключения светодиода с помощью резистора является одной из самых простых и распространенных схем в электронике и используется во многих устройствах, где требуется индикация статуса или освещение.
Возможные ошибки
Подключение светодиода без резистора может привести к нескольким проблемам:
- Светодиод может перегреться и выйти из строя. Как было упомянуто ранее, светодиоды имеют низкое внутреннее сопротивление, что позволяет им потреблять большой ток, если на них подается слишком высокое напряжение. Если светодиод работает без ограничения тока, то он может перегреться и выйти из строя.
- Светодиод может светиться слишком ярко. Если на светодиод подается слишком высокий ток, он будет светиться слишком ярко, что может привести к раздражению глаз и затруднению чтения информации на дисплее.
- Быстрый выход из строя источника питания. Если светодиоды подключены непосредственно к источнику питания без резистора, то потребление тока может быть слишком высоким и привести к перегрузке источника питания.
- Несоответствие электрических характеристик светодиода и источника питания. Если светодиод работает на слишком высоком напряжении, он может выйти из строя. Кроме того, светодиоды имеют различные характеристики, такие как напряжение и ток, которые должны соответствовать параметрам источника питания.
В целом, подключение светодиода без резистора является плохой практикой и может привести к выходу из строя как светодиода, так и других элементов цепи. Поэтому, всегда необходимо использовать резистор для ограничения тока при подключении светодиода.
Резюмируем
Резистор необходим для ограничения тока при подключении светодиода. Рекомендуемый ток для светодиода указывается в его технической документации. Для расчета значения резистора необходимо знать напряжение питания и напряжение светодиода. Формулы расчета резистора: R = (Vпит — Vсв) / I и P = I x Vсв, где R — сопротивление резистора, Vпит — напряжение питания, Vсв — напряжение светодиода, I — ток, P — мощность резистора. Для подключения светодиода с помощью резистора необходимо соединить анод светодиода с положительным контактом источника питания, а катод светодиода через резистор — с отрицательным контактом источника питания. Не рекомендуется подключать светодиод без резистора, так как это может привести к выходу из строя светодиода и других элементов цепи.













